Encyclopedia of Membranes

Living Edition
| Editors: Enrico Drioli, Lidietta Giorno

Air Bubbling in Membrane Distillation

Living reference work entry
DOI: https://doi.org/10.1007/978-3-642-40872-4_813-1

Air bubbling is a common method that is used in membrane separation process to alleviate membrane fouling and improve flux. It also is a kind of membrane cleaning method. Till now, gas-liquid two phase flow has been well studied and widely used in microfiltration, ultrafiltration (Cabassud et al. 1997), membrane bioreactor (Psoch and Schiewer 2005), and other traditional membrane separation technologies.

Based on the above advantages of air bubbling, it has been introduced into membrane distillation (MD) process to alleviate membrane fouling and improve the heat and mass transfer efficiency. Researchers have introduced air bubbling into MD process and developed several new kinds of MD process.

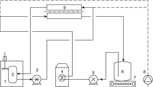
The first application of air bubbling in MD process was firstly reported in 2008 (Ding et al. 2008) to concentrate the extract of traditional Chinese medicine (TCM). Air bubbling was used in direct contact membrane distillation (DCMD) and the flow sheet is shown in Fig. 1.

Keywords

Feed Solution Membrane Module Membrane Fouling Membrane Distillation Flux Decline 
These keywords were added by machine and not by the authors. This process is experimental and the keywords may be updated as the learning algorithm improves.
This is a preview of subscription content, log in to check access.

References

  1. Cabassud C, Laborie S, Lainé JM (1997) How slug-flow can improve ultrafiltration flux in organic hollow fibres. J Membr Sci 128(1):93–101CrossRefGoogle Scholar
  2. Chen GZ, Yang X, Wang R, Fane AG (2013) Performance enhancement and scaling control with gas bubbling in direct contact membrane distillation. Desalination 2013(308):47–55CrossRefGoogle Scholar
  3. Ding Z, Liu L, Yu J, Ma R, Yang Z (2008) Concentrating the extract of traditional Chinese medicine by direct contact membrane distillation. J Membr Sci 310(1–2):539–549CrossRefGoogle Scholar
  4. Jirachote P, Fane AG, Pasquier ACS, Wu B (2009) Experimental study and design of a submerged membrane distillation bioreactor. Chem Eng Technol 32(1):38–44CrossRefGoogle Scholar
  5. Psoch C, Schiewer S (2005) Long-term study of an intermittent air sparged MBR for synthetic wastewater treatment. J Membr Sci 2005(260):56–65CrossRefGoogle Scholar
  6. Wu CR, Yue J, HuaYan C, Xuan W, QiJun G (2011) Study on air-bubbling strengthened membrane distillation process. Desalination Water Treat 34(1–3):2–5Google Scholar

Copyright information

© Springer-Verlag Berlin Heidelberg 2014

Authors and Affiliations

  1. 1.State Key Laboratory of Hollow Fiber Membrane Materials and Membrane Processes, Institute of Biological and Chemical EngineeringTianjin Polytechnic UniversityTianjinChina