Abstract
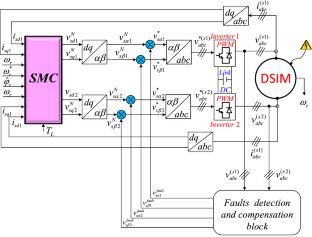
This paper presents a fault-tolerant control (FTC) strategy for double-star induction machine subject to stator and rotor faults. To steer the speed and the flux to their desired references, a nonlinear sliding mode controller (SMC) is designed. However, the proposed SMC can’t deal with the faults effect which can achieve graceful system degradation. In order to compensate the faults effect, an appropriate combination between the proposed SMC and a new developed fault detection and compensation block is made. Simulation results are presented to show the effectiveness of the proposed FTC in terms of speed and flux responses using an estimator of rotor flux. Compared with SMC, the obtained results confirm the validity of the proposed FTC strategy and its ability to ensure a ripple-free operation when the fault occurs. In this kind of multiphase machines, the proposed controller is applied for the first time; its efficiency, robustness and simple design are promising for practical implementation and can be an alternative to the existing FTC.








Similar content being viewed by others
References
Tir, Z.; Soufi, Y.; Hashemnia, M.N.; Malik, O.P.; Marouani, K.: Fuzzy logic field oriented control of double star induction motor drive. Electr. Eng. 99(2), 495–503 (2017)
Rahali, H.; Zeghlache, S.; Benalia, L.: Adaptive field-oriented control using supervisory type-2 fuzzy control for dual star induction machine. Int. J. Intell. Eng. Syst. 10(4), 28–40 (2017)
Duran, M.J.; Prieto, I.J.; Bermudez, M.; Barrero, F.; Guzman, H.; Arahal, M.R.: Optimal fault-tolerant control of six-phase induction motor drives with parallel converters. IEEE Trans. Ind. Electron. 63(1), 629–640 (2016)
González-Prieto, I.; Duran, M.J.; Barrero, F.J.: Fault-tolerant control of six-phase induction motor drives with variable current injection. IEEE Trans. Power Electron. 32(10), 7894–7903 (2017)
Mahmoud, E.A.; Abdel-Khalik, A.S.; Soliman, H.F.: An improved fault tolerant for a five-phase induction machine under open gate transistor faults. Alex. Eng. J. 55(3), 2609–2620 (2016)
Kong, W.; Huang, J.; Kang, M.; Li, B.; Zhao, L.: Fault-tolerant control of five-phase induction motor under single-phase open. J. Electr. Eng. Technol. 9(3), 899–907 (2014)
Bermudez, M.; Gonzalez-Prieto, I.; Barrero, F.; Guzman, H.; Duran, M.J.; Kestelyn, X.: Open-phase fault-tolerant direct torque control technique for five-phase induction motor drives. IEEE Trans. Ind. Electron. 64(2), 902–911 (2017)
Zina, H.B.; Allouche, M.; Souissi, M.; Chaabane, M.; Chrifi-Alaoui, L.: Robust sensor fault-tolerant control of induction motor driver. Int. J. Fuzzy Syst. 19(1), 155–166 (2017)
Yazdani, S.; Haeri, M.: Robust adaptive fault-tolerant control for leader–follower flocking of uncertain multi-agent systems with actuator failure. ISA Trans. 71(Pt 2), 227–234 (2017)
Zhang, Y.; Tang, S.; Guo, J.: Adaptive-gain fast super-twisting sliding mode fault tolerant control for a reusable launch vehicle in reentry phase. ISA Trans. 71(Pt 2), 380–390 (2017)
Zeghlache, S.; Benslimane, T.; Bouguerra, A.: Active fault tolerant control based on interval type-2 fuzzy sliding mode controller and non linear adaptive observer for 3-DOF laboratory helicopter. ISA Trans. 71(Pt 2), 280–303 (2017)
Ao, W.; Song, Y.; Wen, C.: Adaptive robust fault tolerant control design for a class of nonlinear uncertain MIMO systems with quantization. ISA Trans. 68, 63–72 (2017)
Xie, C.H.; Yang, G.H.: Data-based fault-tolerant control for affine nonlinear systems with actuator faults. ISA Trans. 64, 285–292 (2016)
Amimeur, H.; Abdessemed, R.; Aouzellag, D.; Merabet, E.; Hamoudi, F.: A sliding mode control associated to the field-oriented control of dual-stator induction motor drives. J. Electr. Eng. 10(3), 7–12 (2010)
Listwan, J.; Pieńkowski, K.: Sliding-mode direct field-oriented control of six-phase induction motor. Tech. Trans. 2-M, 95–108 (2016)
Dandan, S.; Yugang, D.; Chengning, Z.: Sliding mode controller for permanent magnetic synchronous motors. Energy Procedia 105, 2641–2646 (2017)
Mirzaeva, G.; Saad, K.I.; Jahromi, M.G.: Comprehensive diagnostics of induction motor faults based on measurement of space and time dependencies of air gap flux. IEEE Trans. Ind. Appl. 53(3), 2657–2666 (2017)
Kaikaa, M.Y.; Hadjami, M.; Khezzar, A.: Effects of the simultaneous presence of static eccentricity and broken rotor bars on the stator current of induction machine. IEEE Trans. Ind. Electron. 61(5), 2452–2463 (2014)
Elbouchikhi, E.; Choqueuse, V.; Benbouzid, M.: Induction machine bearing faults detection based on a multi-dimensional MUSIC algorithm and maximum likelihood estimation. ISA Trans. 63, 413–424 (2016)
Liu, Y.; Bazzi, A.M.: A review and comparison of fault detection and diagnosis methods for squirrel-cage induction motors: state of the art. ISA Trans. 70, 400–409 (2017)
Hou, Z.; Huang, J.; Liu, H.; Ye, M.; Liu, Z.; Yang, J.: Diagnosis of broken rotor bar fault in open-and closed-loop controlled wye-connected induction motors using zero-sequence voltage. IET Electr. Power Appl. 11(7), 1214–1223 (2017)
Bessam, B.; Menacer, A.; Boumehraz, M.; Cherif, H.: Detection of broken rotor bar faults in induction motor at low load using neural network. ISA Trans. 64, 241–246 (2016)
Lizarraga-Morales, R.A.; Rodriguez-Donate, C.; Cabal-Yepez, E.; Lopez-Ramirez, M.; Ledesma-Carrillo, L.M.; Ferrucho-Alvarez, E.R.: Novel FPGA-based methodology for early broken rotor bar detection and classification through homogeneity estimation. IEEE Trans. Instrum. Meas. 66(7), 1760–1769 (2017)
Hou, Z.; Huang, J.; Liu, H.; Wang, T.; Zhao, L.: Quantitative broken rotor bar fault detection for closed-loop controlled induction motors. IET Electr. Power Appl. 10(5), 403–410 (2016)
Houari, A.; Bouabdallah, A.; Djerioui, A.; Machmoum, M.; Auger, F.; Darkawi, A.; Olivier, J.C.; Benkhoris, M.F.: An effective compensation technique for speed smoothness at low-speed operation of PMSM drives. IEEE Trans. Ind. Appl. 54(1), 647–655 (2018)
Mekki, H.; Benzineb, O.; Boukhetala, D.; Tadjine, M.; Benbouzid, M.: Sliding mode based fault detection, reconstruction and fault tolerant control scheme for motor systems. ISA Trans. 57, 340–351 (2015)
Roubache, T.; Chaouch, S.; Naït-Saïd, M.S.: Backstepping design for fault detection and FTC of an induction motor drives-based EVs. J. Control Meas. Electron. Comput. Commun. 57(3), 736–748 (2016)
Zhang, M.; Liu, X.; Wang, F.: Backstepping based adaptive region tracking fault tolerant control for autonomous underwater vehicles. J. Navig. 70(1), 184–204 (2017)
Djeghali, N.; Ghanes, M.; Djennoune, S.; Barbot, J.P.: Sensorless fault tolerant control for induction motors. Int. J. Control Autom. Syst. 11(3), 563–576 (2013)
Meroufel, A.; Massoum, S.; Bentaallah, A.; Wira, P.; Belaimeche, F.Z.; Masssoum, A.: Double star induction motor direct torque control with fuzzy sliding mode speed controller. Rev. Roum. Sci. Techn. Électrotechn. et Énerg. 62(1), 31–35 (2017)
Elbouchikhi, E.; Choqueuse, V.; Auger, F.; Benbouzid, M.E.H.: Motor current signal analysis based on a matched subspace detector. IEEE Trans. Instrum. Meas. 66(12), 3260–3270 (2017)
Hamouda, N.; Hemsas, K.E.; Benalla, H.: Etude comparative des techniques de filtrage actif sélectif par référentiel synchrone de Park dq et approche FMV. Mediterr. J. Model. Simul. 1(1), 089–098 (2014)
Han, P.; Cheng, M.; Chen, Z.: Dual-electrical-port control of cascaded doubly-fed induction machine for EV/HEV applications. IEEE Trans. Ind. Appl. 53(2), 1390–1398 (2017)
Author information
Authors and Affiliations
Corresponding author
Rights and permissions
About this article
Cite this article
Layadi, N., Djerioui, A., Zeghlache, S. et al. Fault-Tolerant Control Based on Sliding Mode Controller for Double-Star Induction Machine. Arab J Sci Eng 45, 1615–1627 (2020). https://doi.org/10.1007/s13369-019-04120-1
Received:
Accepted:
Published:
Version of record:
Issue date:
DOI: https://doi.org/10.1007/s13369-019-04120-1
