Skip to main content

Noise effects on robust synchronization of a small pacemaker neuronal ensemble via nonlinear controller: electronic circuit design

An Erratum to this article was published on 11 February 2017

Abstract

In this paper, we report on the synchronization of a pacemaker neuronal ensemble constituted of an AB neuron electrically coupled to two PD neurons. By the virtue of this electrical coupling, they can fire synchronous bursts of action potential. An external master neuron is used to induce to the whole system the desired dynamics, via a nonlinear controller. Such controller is obtained by a combination of sliding mode and feedback control. The proposed controller is able to offset uncertainties in the synchronized systems. We show how noise affects the synchronization of the pacemaker neuronal ensemble, and briefly discuss its potential benefits in our synchronization scheme. An extended Hindmarsh–Rose neuronal model is used to represent a single cell dynamic of the network. Numerical simulations and Pspice implementation of the synchronization scheme are presented. We found that, the proposed controller reduces the stochastic resonance of the network when its gain increases.

This is a preview of subscription content, access via your institution.

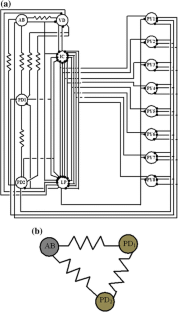
Fig. 1
Fig. 2
Fig. 3
Fig. 4
Fig. 5
Fig. 6
Fig. 7
Fig. 8
Fig. 9
Fig. 10
Fig. 11

References

  • Arenas A, Diaz-Guillera A, Perez-Vicente C (2006) Synchronization processes in complex networks. Phys D 224:27–34

    Article  Google Scholar 

  • Baptista M, Carvalho J, Hussein M (2008) Finding quasi-optimal network topologies for information transmission in active networks. PLos ONE 3:e3479

    Article  PubMed  PubMed Central  Google Scholar 

  • Benzi R, Sutera A, Vulpiani A (1981) The mechanism of stochastic resonance. J Phys A Math Gen 14:L453–L457

    Article  Google Scholar 

  • Bowong S (2004) Stability analysis for the synchronization of chaotic systems with different order: application to secure communication. Phys Rev Lett A 36:102–113

    Article  Google Scholar 

  • Bowong S, Kakmeni FM (2003) Chaos control and duration time of class of uncertain chaotic systems. Phys Lett A 316:206–217

    CAS  Article  Google Scholar 

  • Bowong S, Kakmeni FM (2004) Synchronization of uncertain chaotic system via backstepping approach. Chaos Solitons Fractals 21:99–111

    Article  Google Scholar 

  • Cazalets J, Nagy I, Moulins M (1990) Suppressive control of the crustacean pyloric network by pair of identified interneurons. I. Modulation of the motor pattern. J Neurosci 10:448–457

    CAS  PubMed  Google Scholar 

  • Chedjou J, Fotsin H, Woafo P, Domngang S (2001) Analog simulation of the dynamics of a van der pol oscillator coupled to a duffing oscillator. IEEE Trans Circuits Syst 48:748–756

    Article  Google Scholar 

  • Chen M, Zhou D (2006) Synchronization in uncertain complex networks. Chaos 16:013101

    Article  PubMed  Google Scholar 

  • Cornejo-Perez O, Solis-Perales G, Arenas-Prado J (2012) Synchronization dynamics in a small pacemaker neuronal ensemble via a robust adaptive controller. Chaos Solitons Fractals 45:861–868

    Article  Google Scholar 

  • Delcomyn F (1980) Natural basis of rhythmic behavior in animals. Science 210:492–498

    CAS  Article  PubMed  Google Scholar 

  • Elson R, Selverston AI, Huerta R, Rulkov N, Rabinovich M, Abarbanel H (1998) Synchronous behavior of two coupled biological neurons. Phys Rev Lett 87:5692

    Article  Google Scholar 

  • Elson R, Selverston A, Abarbanel H, Rabinovich M (2002) Inhibitory synchronization of bursting in biological neurons: dependence on synaptic time constant. J Neurophysiol 88:1166–1176

    PubMed  Google Scholar 

  • Faisal A, Selen L, Wolpert D (2008) Noise in the nervous system. Nat Rev Neurosci 9:292–303

    CAS  Article  PubMed  PubMed Central  Google Scholar 

  • Fakcle M, Huerta R, Rabinovich M, Abarbanel H, Elson R, Selverston A (2000) Modeling observed chaotic oscillations in bursting neurons: the role of calcium dynamics and ip3. Biol Cybern 82:517–527

    Article  Google Scholar 

  • Fauve S, Heslot F (1983) Stochastic resonance in a bistable system. Phys Lett A 97:5–7

    Article  Google Scholar 

  • Fermat R, Solis-Peralez G (2008) Robust synchronization of chaotic systems via feedback. Springer, New York

    Google Scholar 

  • Fermat R, Alvarez-Ramirez B, Castillo T, Gonzalez J (1999) On robust chaos suppression of nonlinear oscillators: applications to Chua’s circuit. IEEE Trans Circuits Systs I 46:1150–1152

    Article  Google Scholar 

  • Fermat R, Ortiz R, Perales G (2001) A chaos-based communication scheme via robust asymptotic feedback. IEEE Trans Circuits Syst I 48:1161–1169

    Article  Google Scholar 

  • Fotsin H, Daafouz J (2005) Adaptive synchronization of uncertain chaotic colpitts oscillators. Phys Lett A 339:304–315

    CAS  Article  Google Scholar 

  • Fusi S, Giudice PD, Amit D (2000) Neurophysiology of a VLSI spiking neural network. In: Proceedings of IJCNN III, pp 121–126

  • Gass L (2001) Synchronization and rhythms processes in physiology. Nature 410:277–284

    Article  Google Scholar 

  • Gray C, Konig P, Engel A, Singer W (1989) Oscillatory responses in cat visual cortex exhibit inter-columnar synchronizations which reflects global stimulus properties. Nature 338:334–337

    CAS  Article  PubMed  Google Scholar 

  • Harald A, Stefan R (2008) Interpreting neurodynamics: concepts and facts. Cogn Neurodyn 2:297–318

    Article  Google Scholar 

  • Harris-Warrick R, Marder E, Selverston A, Moulins M (1992) Dynamic biological networks: the stomatogastric nervous system. MIT Press, Cambridge

    Google Scholar 

  • Hatsuo H, Jun I (2009) LTD windows of the STDP learning rule and synaptic connections having a large transmission delay enable robust sequence learning amid background noise. Cogn Neurodyn 3:119–130

    Article  Google Scholar 

  • Hessler N, Shirke A, Malinow R (1993) The probability of transmitter release at a mammalian central synapse. Nature 366:569–572

    CAS  Article  PubMed  Google Scholar 

  • Hindmarsh J, Rose R (1984) A model of neuronal bursting using three coupled first order differential equations. Proc R Soc Lond Ser B 221:87–102

    CAS  Article  Google Scholar 

  • Hubel D, Wiesel T (1959) Receptive fields of single neurons in the cats striate cortex. J Physiol 148:574–591

    CAS  Article  PubMed  PubMed Central  Google Scholar 

  • Hubel D, Wiesel T (1977) Functional architecture of macaque monkey visual cortex. Proc R Soc B 198:159

    Article  Google Scholar 

  • Isidori A (1989) Nonlinear control system. Springer, Berlin

    Book  Google Scholar 

  • Itoh M (2001) Synthesis of electronic circuits for simulating nonlinear dynamics. Int J Bifurc Chaos 11:605–653

    Article  Google Scholar 

  • Kengne J, Chedjou J, Kom M, Kyamakya K, Kamdoum T (2014) Regular oscillations, chaos, and multistability in a system of two coupled van der pol oscillators: numerical and experimental studies. Nonlinear Dyn 76:1119–1132

    Article  Google Scholar 

  • Kistler W, Zeeuw CD (2002) Dynamical working memory and timed responses: the role of reverberating loops in the olivo-cerebellar system. Neural Comput 14:2597–2626

    Article  PubMed  Google Scholar 

  • Kramers H (1940) Brownian motion in a field of force and the diffusion model of chemical reactions. Physica 7:284–304

    CAS  Article  Google Scholar 

  • Kreiter A, Singer W (1996) Stimulus-dependent synchronization of neuronal responses in the visual cortex of the awake macaque monkey. J Neurosci 16:2381–2396

    CAS  PubMed  Google Scholar 

  • Kryukov V (2012) Towards a unified model of pavlovian conditioning: short review of trace conditioning models. Cogn Neurodyn 6:377–398

    CAS  Article  PubMed  PubMed Central  Google Scholar 

  • Levent A (2003) Higher-order sliding modes differentiation and output-feedback control. Int J Control 76:924–941

    Article  Google Scholar 

  • Levent A, Pavlov Y (2008) Generalized homogeneous quasi-continuous controllers. Int J Robust Nonlinear Control 18:385–398

    Article  Google Scholar 

  • Lie X, Zhao L, Zhao G (2005) Sliding mode control for synchronization of chaotic systems with structure or parameter mismatching. J Zhejiang Univ 6:571–576

    Article  Google Scholar 

  • Louodop P, Fotsin H, Kountchou M, Bowong S (2013) Finite time synchronization of Lorentz chaotic systems: theory and circuits. Phys Scr 88:045002

    CAS  Article  Google Scholar 

  • Louodop P, Fotsin H, Kountchou M, Megam N, Cerdeira H, Bowong S (2014) Finite-time synchronization of tunnel-diode-based chaotic oscillators. Phys Rev E 89:032921-1–11

    Article  Google Scholar 

  • Manwani A, Koch C (1999) Detecting and estimating signals in noisy cable structures, I: neuronal noise sources. Neural Comput 11:1797–1829

    CAS  Article  PubMed  Google Scholar 

  • Markram H, Tsodyks M (1996) Redistribution of synaptic efficacy between neocortical pyramidal neurons. Nature 382:807–810

    CAS  Article  PubMed  Google Scholar 

  • Martin W, Erik M, Stefano S, Björn S (2011) Multi-stream LSTM-HMM decoding and histogram equalization for noise robust keyword spotting. Cogn Neurodyn 5:253–264

    Article  Google Scholar 

  • Megam E, Fotsin H, Louodop F (2014a) The combined effect of dynamic chemical and electrical synapses in time-delay-induced phase-transition to synchrony in coupled bursting neurons. Int J Bifurc Chaos 24:1450069-1–16

    Google Scholar 

  • Megam E, Fotsin H, Louodop F (2014b) Implementing a memristive Van der Pol oscillator coupled to a linear oscillator: synchronization and application to secure communication. Phys Scr 89:035201

    Article  Google Scholar 

  • Megam E, Kabong M, Kamdoum V, Fotsin H (2015) Phase synchronization of bursting neural networks with electrical and delayed dynamic chemical couplings. Eur Phys J B 88:299

    Article  Google Scholar 

  • Megam E, Fotsin H, Louodop P, Kamdoum V, Cerdeira H (2016) Bifurcation and multistability in the extended Hindmarsh–Rose neuronal oscillator. Chaos Solitons Fractals 85:151–163 (in press)

    Article  Google Scholar 

  • Meister M, Wong R, Baylor D, Shatz C (1991) Synchronous burst of action potentials in ganglion cells of the developing mammalian retine. Science 252:939–943

    CAS  Article  PubMed  Google Scholar 

  • Motter A, Matias M, Kurths J, Ott E (2006) Dynamics of complex networks and applications. Phys D 224:vii–viii

  • Nutzel K, Kien J, Bauer K, Altman J, Krey U (1994) Dynamics of diluted attractor neural networks with delays. Biol Cybern 70:553–561

    Article  Google Scholar 

  • Pinto R, Varona P, Valkovskii A, Szucs A, Abarbanel H, Rabinovich M (2000) Synchronous behavior of two coupled electronic neurons. Phys Rev E 62:2644

    CAS  Article  Google Scholar 

  • Rabinovich M, Varona P, Selverston A, Abarbanel H (2006) Dynaminal principles in neuroscience. Rev Mod Phys 78:1213–1265

    Article  Google Scholar 

  • Restrepo J, Ott E, Hunt B (2006) Emergence of synchronization in complex networks of interacting dynamical systems. Phys D 224:114–122

    Article  Google Scholar 

  • Schneidman E, Freedma B, Segev I (1998) Ion channel stochasticity may be critical in determining the reliability and precision of spike timing. Neural Comput 10:1679–1703

    CAS  Article  PubMed  Google Scholar 

  • Selverston A, Moulins M (1987) The crustacean stomatogastric system: a model for the study of central nervous system. Springer, Berlin

    Book  Google Scholar 

  • Selverston A, Rabinovich M, Abarbanel H, Elson R, Szucs A, Pinto R, Huerta R, Varona P (2000) Reliable circuits from irregular neurons: a dynamical approach to understanding central pattern generators. J Physiol 94:357–374

    CAS  Google Scholar 

  • Shu Y, Hasenstaub A, Badoual M, Bal T, McCormick D (2003) Barrages of synaptic activity control the gain and sensitivity of cortical neurons. J Neurosci 23:10388–10401

    CAS  PubMed  Google Scholar 

  • Softky W, Koch C (1993) The highly irregular firing pattern of cortical cells is inconsistent with temporal integration of random EPSPs. J Neurosci 13:334–350

    CAS  PubMed  Google Scholar 

  • Sprott J (2000) A new class of chaotic circuits. Phys Lett A 266:19–23

    CAS  Article  Google Scholar 

  • Sto-Trevino C, Rabbah P, Marder E, Nadim F (2005) Computational model of electrically coupled intrinsically distinct pacemaker neurons. J Neurophysiol 94:590–604

    Article  Google Scholar 

  • Stratonovich R (1961) Selected problems in the theory of fluctuations in radio engineering. Sovetskoe Radio, Moscow

    Google Scholar 

  • Stratonovich R (1965) Topics in the theory of random noise. SIAM Rev 7:574–576

    Article  Google Scholar 

  • Szucs A, Elson R, Rabinovich M, Abarbanel H, Selverston A (2001) Nonlinear behavior of sinusoidally forced pyloric pacemaker neuron. J Neurophysiol 85:1623–1638

    CAS  PubMed  Google Scholar 

  • Tchitnga R, Louodop P, Fotsin H, Woafo P, Fomethe A (2013) Synchronization of simplest two-component hartley’s chaotic circuits: influence of channel. Nonlinear Dyn 74:1065–1075

    Article  Google Scholar 

  • Varona P, Torres J, Huerta R, Abarbanel H, Rabinovich M (2001) Regularization mechanisms of spiking-bursting neurons. Neural Netw 14:865–875

    CAS  Article  PubMed  Google Scholar 

  • Walter J (2009) Deep analysis of perception through dynamic structures that emerge in cortical activity from self-regulated noise. Cogn Neurodyn 3:105–116

    Article  Google Scholar 

  • Wellens T, Shatokhin V, Buchleitner A (2004) Stochastic resonance. Rep Prog Phys 67:45–105

    Article  Google Scholar 

  • White J, Rubinstein J, Kay A (2000) Channel noise in neurons. Trends Neurosci 23:131–137

    CAS  Article  PubMed  Google Scholar 

  • Wulfram G, Werner M (2002) Spiking neuron models, single neurons, populations, plasticity. Cambridge University Press, Cambridge

    Google Scholar 

  • Yang T, Shao H (2002) Synchronizing chaotic dynamics with uncertainties based on a slidding mode control design. Phys Rev E 65:046210

    Article  Google Scholar 

Download references

Acknowledgments

MNEB thanks the Abdus Salam International Centre for Theoretical Physics for hospitality.

Author information

Affiliations

Authors

Corresponding author

Correspondence to Hilaire Bertrand Fotsin.

Additional information

An erratum to this article is available at http://dx.doi.org/10.1007/s11571-016-9421-1.

Appendices

Appendix 1: Some mathematical expressions

Here we investigate some mathematical expressions obtained during the application of the Kirchhoff law. First, we give the system parameters as a function of the components of circuits presented in Figs. 5b and 6. These equivalences are given in Table 1

Table 1 Coupled system parameters and their electronic equivalents

Appendix 2: Electronics components and their used values

Furthermore, the values of resistors and capacitors used in different circuits are given in the Table 2 below.

Table 2 Electronics components and their used values

Rights and permissions

Reprints and Permissions

About this article

Verify currency and authenticity via CrossMark

Cite this article

Megam Ngouonkadi, E.B., Fotsin, H.B., Kabong Nono, M. et al. Noise effects on robust synchronization of a small pacemaker neuronal ensemble via nonlinear controller: electronic circuit design. Cogn Neurodyn 10, 385–404 (2016). https://doi.org/10.1007/s11571-016-9393-1

Download citation

  • Received:

  • Revised:

  • Accepted:

  • Published:

  • Issue Date:

  • DOI: https://doi.org/10.1007/s11571-016-9393-1

Keywords

  • Noise
  • Synchronization
  • Pacemaker neuronal ensemble
  • Sliding mode
  • Feedback control
  • Pspice simulation