Skip to main content

Solution of a Transverse Plane Bending Problem of a Laminated Cantilever Beam Under the Action of a Normal Uniform Load

The paper presents an exact direct solution of a transverse plane bending problem of a laminated cantilever beam of small width under the action of a uniformly distributed load under the absolutely hard contact between the layers. The solution has been constructed with the aid of linear elasticity theory equations: to take into account the heterogeneous structure of the laminated beam, piecewise constant functions of elastic characteristics, which have been described analytically by means of shifted Heaviside functions, have been introduced into the Hooke’s law relationships. During the solution of problem, the normal stresses were expressed from static equations in terms of an unknown function of tangential stress distribution over the cross-section height. The use of the obtained expressions in the Hooke’s law relationships and Cauchy equations for linear strains made it possible to establish relationships between displacements and tangential stresses. The Cauchy equation that remained for angle strains gave a defining integro-differential equation, from which differential equations for the unknown tangential stress function and for all unknown integration functions have been derived. The solution of the derived equations is possible for the entire packet of layers without considering an individual layer, the final relations for stresses, strains and displacements describing the stress-strain state of the entire packet of composite beam layers. The constructed solution satisfies the boundary conditions and the conditions of the absolutely hard contact of the layers and is exact if the load distribution corresponds to the determined stress distribution. Using this solution, we have carried out a theoretical study of the stress-strain state of a three-layer beam. The obtained relation allow one to predict the strength and stiffness of multilayer structural composite elements and to construct application solutions for other elastic bending problems of laminated beams.

Introduction. The present development level of engineering and technologies imposes higher and higher requirements on the strength, reliability and, above all, energy efficiency of engineering structures, which can not always be met by using conventional structural materials. This problem can be fairly frequently solved by using composite elements made by the combination of several materials with different physico-mechanical characteristics in a single structural system. However, such an approach is greatly limited by the impossibility to employ for the design of composite elements traditional design methods, which are mainly based on deformation models of homogeneous isotropic structural elements.

The reliable prediction of the strength and stiffness of structural composite elements under different operation conditions requires taking into account many physico-mechanical characteristics, which often have a complex dependence on temperature, the type and time of load action, etc. The study of the properties of different types of composites is a separate important scientific problem [1], to which numerous studies by Ukrainian and foreign scientists are devoted.

However, in many cases, taking into account only the elastic characteristics of composites is acceptable in practice. When loaded along reinforcing fibers, oriented fibrous composites exhibit an almost linear dependence between stresses and strains right until failure [2]. This makes it possible to employ methods of the elasticity theory of heterogeneous body to study the stress-strain state (SSS) of composite elements. Therefore, besides the development of science aimed at creating composites, the development of analytical theories of their behavior under different types of elastic strain is not less important.

Transverse plane bending is one of the most frequently occurring types of strain in the elements of engineering structures. At the same time, the analytical theory of bending of composite elements is least developed.

There are two main directions of the development of the analytical method for studying the elastic bending of composite elements.

The first direction involves the so-called “nonclassical” or “refined” bending models, e.g., [2,3,4,5], which are mainly constructed as approximate solutions of the elasticity theory with introduction of certain simplifications and hypotheses. The “iteration” models are most numerous [6]. For discretely inhomogeneous composite beams, the multistage model is widely adopted [7].

The second direction is associated with obtaining exact solutions of the elasticity theory. The bending problems of compound and anisotropic beams are dealt with in [8,9,10,11,12], in which some exact solutions have been obtained. However, these solutions either are of general character or do not allow discrete inhomogeneity to be taken into account, which limits their applied use. At the same time, exact solutions are interesting not only in that they describe more reliably the SSS of a composite element, but also in that they open new approaches to constructing application solutions of various problems of the mechanics of laminated systems.

The aim of this study is to obtain a solution of the transverse plane bending problem of a narrow laminated cantilever beam under the action of a uniformly distributed load using a continual approach to the description of the heterogeneous structure of its cross section. A solution of a similar problem for a homogeneous orthotropic beam with cross section in the form of a narrow rectangle was obtained in [10] using a stress function as fifth-degree polynomial. However, this solution and approach to obtaining it are inapplicable in the case of laminated beam, for which the stresses and their derivatives will have discontinuities at the boundaries between the layers.

The approximate solution of the bending problem of a laminated beam under the action of a distributed load on the longitudinal faces should also be pointed out [2]. This solution was constructed iteratively using, in a first approximation, assumptions that the beam material can withstand transverse shear and compression strains, which reduces its exactness.

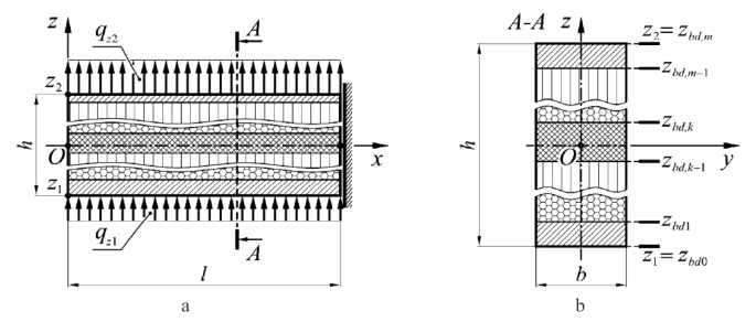
Beam Model. Consider a rectangular laminated cantilever beam with rectilinear axis and cross-section structure of constant length (Fig. 1). The beam consists of m longitudinal layers of predetermined thickness, made of different materials.

Fig. 1.
figure 1

Schematic of a laminated composite beam under the action of a distributed load (a) and structure of its cross section (b).

A rectangular coordinate system xyz with right-handed system of axes was adopted for the beam. The Ox axis coincides with the longitudinal axis of stiffness of the beam, and the coordinate plane zOx coincides with the longitudinal plane of symmetry. The cross sections of the beam are parallel to the coordinate plane zOy.

Each layer k of the beam under consideration is made of a continuous homogeneous orthotropic material, the elastic symmetry planes being parallel to the coordinate planes. The layers are rigidly bonded at the interfaces, so that no mutual displacement and separation of the layers occur during beam deformation.

The mechanical characteristics of this beam will be piecewise constant functions of the z coordinate, which can be mathematically represented as a sum of finite functions:

$$ {\upmu}_a^S=\sum \limits_{k=1}^m\left({S}_a^{\left[k\right]}{p}_k\right), $$
(1)

where \( \left\Vert {S}_a^{\left[k\right]}\right\Vert =\left\Vert {E}_x^{\left[k\right]},{E}_y^{\left[k\right]},{E}_z^{\left[k\right]},{G}_{xy}^{\left[k\right]},{G}_{yz}^{\left[k\right]},{G}_{xz}^{\left[k\right]},{v}_{xy}^{\left[k\right]},{v}_{yx}^{\left[k\right]},{v}_{zy}^{\left[k\right]},{v}_{yz}^{\left[k\right]},{v}_{xz}^{\left[k\right]},{v}_{zx}^{\left[k\right]}\right\Vert \) are the elastic constants of the kth orthotropic layer of the composite beam and pk = pk(z) is the indicator function of the kth beam layer.

The indicator function of the kth layer can be formally written in the form of a system of relations:

$$ {p}_k=\Big\{{\displaystyle \begin{array}{ll}1,& z\in \left({z}_{bd,k-1},{z}_{bd,k}\right),\\ {}0,& z\notin \left({z}_{bd,k-1},{z}_{bd,k}\right),\end{array}} $$
(2)

where zbd, k − 1 and zbd, k are the coordinates of the boundaries of the kth layer (Fig. 1b).

Accordingly, the functions \( {\upmu}_a^S \) (1) have been determined at all number scale points; however, they are nonzero only on the interval z ∈ (z1, z2), and they will have here m − 1 points of discontinuity of the first kind.

The use of functions (1) in theoretical relationships for SSS components requires the analytic representation of indicator functions (2), e.g., in the form of a difference of shifted Heaviside functions:

$$ {p}_k=H\left(z-{z}_{bd,k-1}\right)-H\left(z-{z}_{bd,k}\right), $$
(3)

where H = H(z) is a Heaviside unit function.

The lower and upper longitudinal faces of the beam (Fig. 1a) are acted upon by normal uniformly distributed loads qzς(ς = 1, 2). The end face of the beam with coordinate x = 0 and the lateral faces are free from fixings and loads. On the end face with coordinate x = l, we assume some kinematic conditions to be predetermined, which correspond to a definite method of its (not necessarily absolutely rigid) fixing.

This system of loads and fixings, as well as the shape and structure of the beam result in its bending in the zOx plane.

We assume that under the action of an applied load,the strains in the beam remain relatively low, and the materials of all layers work only in the elastic region, and that the width b of its cross section is much smaller than the height h.

Construction of Solution. Taking into account that there are no external loads on the longitudinal lateral faces of the beam and the above assumptions regarding the width of its cross section, it can be considered that during deformation, it will be under generalized plane stress conditions.

According to the adopted system of external loads, the following static boundary conditions exist on the longitudinal faces and end faces of the beam:

$$ {\displaystyle \begin{array}{ll}{\left.{\upsigma}_x\right|}_{x=0}=0,& {\left.{\uptau}_{xz}\right|}_{x=0}=0,\\ {}{\left.{\upsigma}_z\right|}_{z={z}_{\upvarsigma}}={\left(-1\right)}^{\upvarsigma}{q}_{z\upvarsigma},& {\left.{\uptau}_{zx}\right|}_{z={z}_{\upvarsigma}}=0,\kern1em \upvarsigma =1,2.\end{array}} $$
(4)

When solving a system of plane problem equilibrium equations for normal stresses, we get

$$ {\upsigma}_x=-\underset{0}{\overset{x}{\int }}\frac{\partial {\uptau}_{xz}}{\partial z} dx+{\upsigma}_x{\left|{}_{x=0},\kern0.5em {\upsigma}_z=-\underset{z_1}{\overset{z}{\int }}\frac{\partial {\uptau}_{zx}}{\partial x} dz+{\upsigma}_z\right|}_{z={z}_1}. $$
(5)

We adopt a possible form of solution for tangential stresses with allowance for the distribution of the transverse force Qz in beam cross sections. In accordance with the adopted beam loading scheme, we write

$$ {Q}_z=-b\underset{z_1}{\overset{z_2}{\int }}{\uptau}_{xz} dz=b\left({q}_{z1}+{q}_{z2}\right)x. $$
(6)

Equation (6) will hold, e.g., if the solution for tangential stresses is of the following form:

$$ {\uptau}_{xz}=x{Z}_{xz}^{\uptau}, $$
(7)

where \( {Z}_{xz}^{\uptau}={Z}_{xz}^{\uptau}(z) \) is an unknown function of variable z.

According to Eq. (6) and the boundary conditions (4), the function \( {Z}_{xz}^{\uptau} \) in relation (7) must satisfy the conditions

$$ {\displaystyle \begin{array}{cc}\underset{z_1}{\overset{z_2}{\int }}{Z}_{xz}^{\uptau} dz=-\left({q}_{z1}+{q}_{z2}\right),& {\left.{Z}_{xz}^{\uptau}\right|}_{\begin{array}{l}z={z}_1,\\ {}z={z}_2\end{array}}=0.\end{array}} $$
(8)

In view of Eq. (7) and subject to the third boundary condition of (4), the system of solutions (5) will take the form

$$ {\displaystyle \begin{array}{cc}{\left.{\upsigma}_x=-\frac{d{Z}_{xz}^{\uptau}}{dz}\frac{x^2}{2}+{\upsigma}_x\right|}_{x=0},& {\upsigma}_z=-\underset{z_1}{\overset{z}{\int }}{Z}_{xz}^{\uptau} dz-{q}_{z1}.\end{array}} $$
(9)

In Eqs. (9), the first boundary condition of (4) was not deliberately used since its application brings the governing equation of the problem into an unsolvable form.

Substituting (7) and (9) into the physical equations of the elasticity theory for linear and angle strains yields, in view of Eq. (1), the following relations:

$$ {\displaystyle \begin{array}{c}{\upvarepsilon}_x=-\frac{1}{\upmu_x^E}\left({\left.\frac{d{Z}_{xz}^{\uptau}}{dz}\frac{x^2}{2}-{\upsigma}_x\right|}_{x=0}\right)+\frac{\upmu_{zx}^v}{\upmu_z^E}\left(\underset{z_1}{\overset{z}{\int }}{Z}_{xz}^{\uptau} dz+{q}_{z1}\right),\\ {}{\left.{\upvarepsilon}_z=-\frac{1}{\upmu_z^E}\left(\underset{z_1}{\overset{z}{\int }}{Z}_{xz}^{\uptau} dz+{q}_{z1}\right)+\frac{\upmu_{xz}^v}{\upmu_x^E}\Big(\frac{d{Z}_{xz}^{\uptau}}{dz}\frac{x^2}{2}-{\upsigma}_x\right|}_{x=0}\Big),\\ {}{\upgamma}_{xz}=\frac{Z_{xz}^{\uptau}}{\upmu_{xz}^G}x.\end{array}} $$
(10)

Integrating Cauchy relations for linear strains in view of (10), we obtain relationships for displacements:

$$ {\left.u=-\frac{1}{\upmu_x^E}\frac{d{Z}_{xz}^{\uptau}}{dz}\frac{x^3}{6}+\left(\frac{{\left.{\upsigma}_x\right|}_{x=0}}{\upmu_x^E}\frac{\upmu_{zx}^v}{\upmu_z^E}\underset{z_1}{\overset{z}{\int }}{Z}_{xz}^{\uptau} dz+\frac{\upmu_{zx}^v{q}_{z1}}{\upmu_z^E}\right)x+u\right|}_{x=0}, $$
(11a)
$$ {\left.w=-\underset{z_1}{\overset{z}{\int }}\left(\frac{1}{\upmu_z^E}\underset{z_1}{\overset{z}{\int }}{Z}_{xz}^{\uptau} dz\right) dz-\underset{z_1}{\overset{z}{\int }}\frac{q_{z1}}{\upmu_z^E} dz+\underset{z_1}{\overset{z}{\int }}\left(\frac{\upmu_{xz}^v}{\upmu_x^E}\frac{d{Z}_{xz}^{\uptau}}{dz}\right) dz\frac{x^2}{2}-\underset{z_1}{\overset{z}{\int }}\frac{{\left.{\upmu}_{xz}^v{\upsigma}_x\right|}_{x=0}}{\upmu_x^E} dz+w\right|}_{z={z}_1}. $$
(11b)

Substituting Eqs. (10) and (11) into the Cauchy relation for angle strains γxz and making some transformations, we obtain the governing equation of the problem:

$$ {\displaystyle \begin{array}{l}\kern1em \frac{{\left. dw\right|}_{z={z}_1}}{dx}-\left[\frac{d}{dz}\left(\frac{1}{\upmu_x^E}\frac{d{Z}_{xz}^{\uptau}}{dz}\right)\right]\frac{x^3}{6}+\Big[\underset{z_1}{\overset{z}{\int }}\left(\frac{\upmu_{xz}^v}{\upmu_x^E}\frac{d{Z}_{xz}^{\uptau}}{dz}\right) dz-\frac{Z_{xz}^{\uptau}}{\upmu_{xz}^G}\\ {}+\frac{d}{dz}\left(\frac{{\left.{\upsigma}_x\right|}_{x=0}}{\upmu_x^E}+\frac{\upmu_{zx}^v}{\upmu_z^E}\underset{z_1}{\overset{z}{\int }}{Z}_{xz}^{\uptau} dz+\frac{\upmu_{zx}^v{q}_{z1}}{\upmu_z^E}\right)\Big]x+\left[\frac{{\left. du\right|}_{x=0}}{dz}\right]=0.\end{array}} $$
(12)

Equation (12) will hoed if the expressions in square brackets are equal to some unknown constants C0, C1, and C2:

$$ {\displaystyle \begin{array}{c}\frac{d}{dz}\left(\frac{1}{\upmu_x^E}\frac{d{Z}_{xz}^{\uptau}}{dz}\right)={C}_0,\\ {}\underset{z_1}{\overset{z}{\int }}\left(\frac{\upmu_{xz}^v}{\upmu_x^E}\frac{d{Z}_{xz}^{\uptau}}{dz}\right) dz-\frac{Z_{xz}^{\uptau}}{\upmu_{xz}^G}\frac{d}{dz}\left(\frac{{\left.{\upsigma}_x\right|}_{x=0}}{\upmu_x^E}+\frac{\upmu_{zx}^v}{\upmu_z^E}\underset{z_1}{\overset{z}{\int }}{Z}_{xz}^{\uptau} dz+\frac{\upmu_{zx}^v{q}_{z1}}{\upmu_z^E}\right)={C}_1,\\ {}\frac{{\left. du\right|}_{x=0}}{dz}={C}_2.\end{array}} $$
(13)

In view of (13), Eq. (12) is transformed into a linear inhomogeneous differential equation:

$$ \frac{{\left. dw\right|}_{z={z}_1}}{dx}-{C}_0\frac{x^3}{6}+{C}_1x+{C}_2=0. $$
(14)

The general solution of the first differential equation of (13) subject to the edge conditions (8) is obtained in the form:

$$ {Z}_{xz}^{\uptau}={C}_0\left(\underset{z_1}{\overset{z}{\int }}\left(z{\upmu}_x^E\right) dz-\frac{B_1}{B_0}\underset{z_1}{\overset{z}{\int }}\left({\upmu}_x^E\right) dz\right), $$
(15)

where symbols for definite integrals have been introduced:

$$ {\displaystyle \begin{array}{cc}\underset{z_1}{\overset{z_2}{\int }}\left({\upmu}_x^E\right) dz={B}_0,& \underset{z_1}{\overset{z_2}{\int }}\left(z{\upmu}_x^E\right) dz={B}_1.\end{array}} $$
(16)

In (16) and in what follows, the subscripts denote the integrand order.

In should be noted that the constant B1 in (16) can be both positive and negative depending on the position of the cross section relative to the Oy axis (Fig. 1b), and hence it can be equal to zero:

$$ {B}_1=\underset{z_1}{\overset{z_2}{\int }}\left(z{\upmu}_x^E\right) dz=0. $$
(17)

We assume the coordinate system in which the condition (17) is met to be principal and its axes to be the principal axes of stiffness (analog of the principal reduced axes of inertia in [8]). In what follows, we adopt just a principal coordinate system for the beam under consideration.

Note that in some auxiliary coordinate system \( {x}^{\prime }{y}^{\prime }{z}^{\prime}\left({B}_1^{\prime}\ne 0\right) \), the origin O of the principal coordinate system is shifted relative to the origin O′ of the auxiliary coordinate system by the value:

$$ {z}_{B_1}=\underset{z_1^{\prime }}{\overset{z_2^{\prime }}{\int }}\left({\upmu}_x^{\prime E}{z}^{\prime}\right) dz/\underset{z_1^{\prime }}{\overset{z_2^{\prime }}{\int }}{\upmu}_x^{\prime E} dz={B}_1^{\prime }/{B}_0^{\prime }, $$
(18)

where \( {z}_1^{\prime } \), \( {z}_2^{\prime } \), \( {B}_1^{\prime } \), and \( {B}_0^{\prime } \) are the coordinates of the longitudinal faces and the values of the integrals (16) in the auxiliary coordinate system xyz.

Having substituted Eq. (15) in view of (17) into the first condition of (8) and solved the resulting equation, we write

$$ {C}_0=-\frac{q_z^{\sum }}{B_2}, $$
(19)

where \( {q}_z^{\sum }={q}_{z1}+{q}_{z2} \) is the total load in the beam cross section and B2 is the symbol for a definite integral:

$$ {B}_2=\underset{z_1}{\overset{z_2}{\int }}\underset{z_1}{\overset{z}{\int }}\left(z{\upmu}_x^E\right) dzdz. $$
(20)

Substituting Eqs. (17) and (19) into (15) yields the final solution for \( {Z}_{xz}^{\uptau} \):

$$ {Z}_{xz}^{\uptau}=-\frac{q_z^{\sum }}{B_2}\underset{z_1}{\overset{z}{\int }}\left(z{\upmu}_x^E\right) dz. $$
(21)

In view of Eq. (21), the solution sought for tangential stresses (7) will take the form:

$$ {\uptau}_{xz}=-\frac{q_z^{\sum }}{B_2}x\underset{z_1}{\overset{z}{\int }}\left(z{\upmu}_x^E\right) dz. $$
(22)

It should be noted that according to Eq. (22), the stresses τxz are distributed within the boundaries of homogeneous layers according to the quadratic parabola law and are continuous at their boundaries, as required by the absolutely hard contact condition.

Having solved the second equation of (13) for σx|x = 0, we get

$$ {\displaystyle \begin{array}{c}{\left.{\upsigma}_x\right|}_{x=0}=\frac{q_z^{\sum }{\upmu}_x^E}{B_2}\left(\frac{\upmu_{zx}^v}{\upmu_z^E}\underset{z_1}{\overset{z}{\int }}\underset{z_1}{\overset{z}{\int }}\left(z{\upmu}_x^E\right) dz dz-\underset{z_1}{\overset{z}{\int }}\left(\frac{1}{\upmu_{xz}^G}\underset{z_1}{\overset{z}{\int }}\left(z{\upmu}_x^E\right) dz\right) dz+\underset{z_1}{\overset{z}{\int }}\underset{z_1}{\overset{z}{\int }}\left(z{\upmu}_{xz}^v\right) dz dz\right)\\ {}-{q}_{z1}\frac{\upmu_x^E{\upmu}_{zx}^v}{\upmu_z^E}+{C}_1{\upmu}_x^E\left(z-{z}_1\right)+{C}_4{\upmu}_x^E,\end{array}} $$
(23)

where C4 is an unknown constant of integration.

According to Eq. (23), the normal stresses σx on the end face with coordinate x = 0 cannot be zero, as required by the first boundary condition of (4). Therefore, the obtained solution will be exact only if a normal load acts on this end face

$$ {\left.{q}_{x1}=-{\upsigma}_x\right|}_{x=0}, $$
(24)

which contradicts the initial data of the stated problem.

However, if it is required that the resultants of the substitute load (24) be zero:

$$ {\displaystyle \begin{array}{cc}\underset{z_1}{\overset{z_2}{\int }}{q}_{x1} dz=0,& \underset{z_1}{\overset{z_2}{\int }}\left(z{q}_{x1}\right) dz=0,\end{array}} $$
(25)

then in accordance with the Saint-Venant principle, the obtained solution at some distance from the end face will not differ greatly from the exact solution.

Having substituted Eqs. (24) and (23) into the conditions (25) and solved the resulting system of equations for unknown constants, we get

$$ {\displaystyle \begin{array}{cc}{C}_1=\frac{1}{B_2^{\ast }}\left(\frac{q_z^{\sum }}{B_2}{D}_4+{q}_{z1}{D}_1\right),& {C}_4=\frac{q_z^{\sum }}{B_2}\left(\frac{D_3}{B_0}+\frac{z_1{D}_4}{B_2^{\ast }}\right)+{q}_{z1}\left(\frac{D_0}{B_0}+\frac{z_1{D}_1}{B_2^{\ast }}\right),\end{array}} $$
(26)

where symbols for definite integrals have been introduced:

$$ \Big\{{\displaystyle \begin{array}{l}\begin{array}{lll}{D}_0=\underset{z_1}{\overset{z_2}{\int }}\left(\frac{\upmu_x^E{\upmu}_{zx}^v}{\upmu_z^E}\right) dz,& {D}_1=\underset{z_1}{\overset{z_2}{\int }}\left(z\frac{\upmu_x^E{\upmu}_{zx}^v}{\upmu_z^E}\right) dz,& {B}_2^{\ast }=\underset{z_1}{\overset{z_2}{\int }}\left({z}^2{\upmu}_x^E\right) dz,\end{array}\\ {}{D}_3=\underset{z_1}{\overset{z_2}{\int }}\left({\upmu}_x^E\left(\underset{z_1}{\overset{z}{\int }}\left(\frac{1}{\upmu_{xz}^G}\underset{z_1}{\overset{z}{\int }}\left(z{\upmu}_x^E\right) dz-\underset{z_1}{\overset{z}{\int }}\left(z{\upmu}_{xz}^v\right) dz\right) dz-\frac{\upmu_{zx}^v}{\upmu_z^E}\underset{z_1}{\overset{z}{\int }}\underset{z_1}{\overset{z}{\int }}\left(z{\upmu}_x^E\right) dz dz\right)\right) dz,\\ {}{D}_4=\underset{z_1}{\overset{z_2}{\int }}\left(z{\upmu}_x^E\left(\underset{z_1}{\overset{z}{\int }}\left(\frac{1}{\upmu_{xz}^G}\underset{z_1}{\overset{z}{\int }}\left(z{\upmu}_x^E\right) dz-\underset{z_1}{\overset{z}{\int }}\left(z{\upmu}_{xz}^v\right) dz\right) dz-\frac{\upmu_{zx}^v}{\upmu_z^E}\underset{z_1}{\overset{z}{\int }}\underset{z_1}{\overset{z}{\int }}\left(z{\upmu}_x^E\right) dz dz\right)\right) dz.\end{array}} $$
(27)

Note that the constants B2 (20) and \( {B}_2^{\ast } \) (27) are related in the principal coordinate system by the relation

$$ {\left.{B}_2=\underset{z_1}{\overset{z_2}{\int }}\underset{z_1}{\overset{z}{\int }}\left(z{\upmu}_x^E\right) dz dz=z\underset{z_1}{\overset{z}{\int }}\left(z{\upmu}_x^E\right) dz\right|}_{z={z}_1}^{z={z}_2}-\underset{z_1}{\overset{z_2}{\int }}\left({z}^2{\upmu}_x^E\right) dz=-{B}_2^{\ast }. $$
(28)

Substituting Eqs. (21) and (23) into the relations for normal stresses (9) yields:

$$ {\displaystyle \begin{array}{c}{\upsigma}_x=\frac{q_z^{\sum }{\upmu}_x^E}{B_2}\left(\frac{z{x}^2}{2}-\underset{z_1}{\overset{z}{\int }}\left(\frac{1}{\upmu_{xz}^G}\underset{z_1}{\overset{z}{\int }}\left(z{\upmu}_x^E\right) dz-\underset{z_1}{\overset{z}{\int }}\left(z{\upmu}_{xz}^v\right) dz\right) dz+\frac{\upmu_{zx}^v}{\upmu_z^E}\underset{z_1}{\overset{z}{\int }}\underset{z_1}{\overset{z}{\int }}\left(z{\upmu}_x^E\right) dz dz\right)\\ {}-{q}_{z1}\frac{\upmu_x^E{\upmu}_{zx}^v}{\upmu_z^E}+{C}_1{\upmu}_x^E\left(z-{z}_1\right)+{C}_4{\upmu}_x^E,\\ {}{\upsigma}_z=\frac{q_z^{\sum }}{B_2}\underset{z_1}{\overset{z}{\int }}\underset{z_1}{\overset{z}{\int }}\left(z{\upmu}_x^E\right) dz dz-{q}_{z1}.\end{array}} $$
(29)

According to the solutions (29), the normal stresses σx in an arbitrary cross section consist of a linear and a cubic component and change stepwise the value at the boundary between the layers in proportion to the distribution of the modulus of longitudinal elasticity \( {\upmu}_x^E \). In that case, the cubic component depends on all elastic characteristics of the materials of the beam layers.

At the same time, the stress σz depends only on the distribution of the modulus of longitudinal elasticity \( {\upmu}_x^E \) and obeys the cube law within the boundaries of homogeneous layers. These stresses are continuous, which corresponds to the condition of absolutely hard contact between the layers.

If the beam consists of one homogeneous layer, the relations for normal stresses (29) can be transformed into known solutions of a similar problem for an isotropic [13, 14] and an orthotropic beam [10], which indirectly confirms the validity of the obtained relations. At the same time, the approximate solution in [2] does not take into acount the cubic component of stresses σx, but the distribution of the stresses τxz and σz is, on the whole, close to the solution obtained by us.

The solutions of the third equation of (13) and (14) in view of (19) have been obtained in the form

$$ {\displaystyle \begin{array}{cc}u{\left|{}_{x=0}={C}_2\left(z-{z}_1\right)+u\right|}_{x=0,z={z}_1},& w{\left|{}_{z={z}_1}=-\frac{q_z^{\sum }}{B_2}\frac{x^4}{24}-{C}_1\frac{x^2}{2}-{C}_2x+w\right|}_{z={z}_1,x=0}.\end{array}} $$
(30)

According to the first expression of (30), the free and face of the laminated beam under consideration remains flat after deformation.

Having substituted Eqs. (21), (23), and (30) into the relations for displacements (11) and made transformations, we obtain general solutions for displacements:

$$ {\left.u=\frac{q_z^{\sum }}{B_2}\left(\frac{x^3z}{6}-x\underset{z_1}{\overset{z}{\int }}\left(\frac{1}{\upmu_{xz}^G}\underset{z_1}{\overset{z}{\int }}\left(z{\upmu}_x^E\right) dz-\underset{z_1}{\overset{z}{\int }}\left(z{\upmu}_{xz}^v\right) dz\right) dz\right)+\left({C}_1\left(z-{z}_1\right)+{C}_4\right)x+{C}_2\left(z-{z}_1\right)+u\right|}_{x=0,z={z}_1}, $$
(31)
$$ {\displaystyle \begin{array}{c}w=-\frac{q_z^{\sum }}{24{B}_2}{x}^4-\frac{q_z^{\sum }}{2{B}_2}{x}^2\underset{z_1}{\overset{z}{\int }}\left(z{\upmu}_{xz}^v\right) dz\\ {}+\frac{q_z^{\sum }}{B_2}\underset{z_1}{\overset{z}{\int }}\left({\upmu}_{xz}^v\underset{z_1}{\overset{z}{\int }}\left(\frac{1}{\upmu_{xz}^G}\underset{z_1}{\overset{z}{\int }}\left(z{\upmu}_x^E\right) dz-\underset{z_1}{\overset{z}{\int }}\left(z{\upmu}_{xz}^v\right) dz\right) dz+\frac{1-{\upmu}_{xz}^v{\upmu}_{zx}^v}{\upmu_z^E}\underset{z_1}{\overset{z}{\int }}\underset{z_1}{\overset{z}{\int }}\left(z{\upmu}_x^E\right) dz dz\right) dz\\ {}{\left.-{q}_{z1}\underset{z_1}{\overset{z}{\int }}\frac{1-{\upmu}_{xz}^v{\upmu}_{zx}^v}{\upmu_z^E} dz-{C}_1\left(\frac{x^2}{2}+\underset{z_1}{\overset{z}{\int }}\left({\upmu}_{xz}^v\left(z-{z}_1\right)\right) dz\right)-{C}_4\underset{z_1}{\overset{z}{\int }}{\upmu}_{xz}^v dz-{C}_2x+w\right|}_{z={z}_1,x=0}.\end{array}} $$
(32)

The expressions for displacements (31) and (32) contain three unknown constants: C2, \( {\left.u\right|}_{x=0,z={z}_1} \), and \( {\left.w\right|}_{z_1=z,x=0} \), which must be determined with the aid of kinematic conditions which correspond to the method of fixing the beam.

Differentiating Eqs. (31) and (32) gives relations for linear strains:

$$ {\upvarepsilon}_x=\frac{q_z^{\sum }}{B_2}\left(\frac{x^3z}{2}-\underset{z_1}{\overset{z}{\int }}\left(\frac{1}{\upmu_{xz}^G}\underset{z_1}{\overset{z}{\int }}\left(z{\upmu}_{xz}^E\right) dz-\underset{z_1}{\overset{z}{\int }}\left(z{\upmu}_{xz}^v\right) dz\right) dz\right)+{C}_1\left(z-{z}_1\right)+{C}_4, $$
(33a)
$$ {\displaystyle \begin{array}{c}{\upvarepsilon}_z=-\frac{q_z^{\sum }}{2{B}_2}{x}^2z{\upmu}_{xz}^v-{q}_{z1}\frac{1-{\upmu}_{xz}^v{\upmu}_{zx}^v}{\upmu_z^E}-{C}_1{\upmu}_{xz}^v\left(z-{z}_1\right)-{C}_4{\upmu}_{xz}^v\\ {}+\frac{q_z^{\sum }}{B_2}\left({\upmu}_{xz}^v\underset{z_1}{\overset{z}{\int }}\left(\frac{1}{\upmu_{xz}^G}\underset{z_1}{\overset{z}{\int }}\left(z{\upmu}_x^E\right) dz-\underset{z_1}{\overset{z}{\int }}\left(z{\upmu}_{xz}^v\right) dz\right) dz+\frac{1-{\upmu}_{xz}^v{\upmu}_{zx}^v}{\upmu_z^E}\underset{z_1}{\overset{z}{\int }}\underset{z_1}{\overset{z}{\int }}\left(z{\upmu}_x^E\right) dz dz\right).\end{array}} $$
(33b)

Having substituted Eq. (21) into the third expression of (10), we determine strains:

$$ {\upgamma}_{xz}=-\frac{q_z^{\sum }}{B_2}x\frac{1}{\upmu_{xz}^G}\underset{z_1}{\overset{z}{\int }}\left(z{\upmu}_x^E\right) dz. $$
(34)

It should be noted that the obtained distribution functions of the displacements u, w and strains εx are continuous, and that εz and γxz change stepwise the value at the boundaries between the layers, which corresponds to the adopted condition of absolutely hard contact between the layers.

Solution of the Problem for the Rigid Fixing Model. Note that the obtained solutions for displacements (31) and (32) do not allow one to assume the idealized absolutely rigid fixing of a particular end face with coordinate x = l since the condition of the complete absence of displacements of its points cannot be satisfied with the aid of three constants of integration. However, we can set kinematic conditions, which approximately simulate rigid fixing by the complete or partial restriction of the displacements of individual end face points. Many variations of such conditions can be presented, one of which is illustrated by Fig. 2. The following kinematic conditions correspond to this set of restrictions:

$$ {\displaystyle \begin{array}{ccc}{\left.u\right|}_{x=l,z={z}_1}=0,& {\left.u\right|}_{x=l,z={z}_2}=0,& {\left.w\right|}_{x=l,z={z}_1}=0.\end{array}} $$
(35)
Fig. 2.
figure 2

Simulation of rigid fixing.

Note that the schematic in Fig. 2 shows constraints imposed on the edge points of the cross section, but it does not show reactive normal (qx2) and tangential (qxz2) forces, which act on the end face surfaces and balance the external loads qx1 and qz2.

Having substituted the solutions (32) into the conditions (35), we obtain a system of equations, the solution of which allows us to determine the unknown constants C2, \( {\left.u\right|}_{x=0,z={z}_1} \), and \( {\left.w\right|}_{z={z}_1,x=0} \):

$$ {\displaystyle \begin{array}{c}{C}_2=-\frac{q_z^{\sum }{l}^3}{6{B}_2}\left(1-\frac{6{D}_2}{l^2h}\right)-{C}_1l,\\ {}{\left.u\right|}_{x=0,z={z}_1}=-\frac{q_z^{\sum }{l}^3{z}_1}{6{B}_2}-{C}_4l,\\ {}{\left.w\right|}_{z={z}_1,x=0}=-\frac{q_z^{\sum }{l}^4}{8{B}_2}\left(1-\frac{8{D}_2}{h{l}^2}-\frac{4{D}_4}{B_2{l}^2}\right)+\frac{q_{z1}{l}^2{D}_1}{2{B}_2},\end{array}} $$
(36)

where a symbol for a definite integral has been introduced:

$$ {D}_2=\underset{z_1}{\overset{z_2}{\int }}\left(\frac{1}{\upmu_{xz}^G}\underset{z_1}{\overset{z}{\int }}\left(z{\upmu}_x^E\right) dz-\underset{z_1}{\overset{z}{\int }}\left(z{\upmu}_{xz}^v\right) dz\right) dz. $$
(37)

Substituting (36) into the relations for displacements (31) and (32) yields:

$$ u=\frac{q_z^{\sum }}{B_2}\left(\frac{x^3z}{6}-x\underset{z_1}{\overset{z}{\int }}\left(\frac{1}{\upmu_{xz}^G}\underset{z_1}{\overset{z}{\int }}\left(z{\upmu}_x^E\right) dz-\underset{z_1}{\overset{z}{\int }}\left(z{\upmu}_{xz}^v\right) dz\right) dz\right)-\frac{q_z^{\sum }{l}^3}{6{B}_2}\left(z-\frac{6{D}_2}{l^2h}\left(z-{z}_1\right)\right)-\left({C}_1\left(z-{z}_1\right)+{C}_4\right)\left(l-x\right), $$
(38a)
$$ {\displaystyle \begin{array}{l}w=-\frac{q_z^{\sum }x}{2{B}_2}\left(\frac{x^3}{12}+x\underset{z_1}{\overset{z}{\int }}\left(z{\upmu}_{xz}^v\right) dz-\frac{l^3}{3}\left(1-\frac{6{D}_2}{l^2h}\right)\right)-{q}_{z1}\left(\underset{z_1}{\overset{z}{\int }}\frac{1-{\upmu}_{xz}^v{\upmu}_{zx}^v}{\upmu_z^E} dz-\frac{D_1{l}^2}{2{B}_2}\right)\\ {}+\frac{q_z^{\sum }}{B_2}\underset{z_1}{\overset{z}{\int }}\left({\upmu}_{xz}^v\underset{z_1}{\overset{z}{\int }}\left(\frac{1}{\upmu_{xz}^G}\underset{z_1}{\overset{z}{\int }}\left(z{\upmu}_x^E\right) dz-\underset{z_1}{\overset{z}{\int }}\left(z{\upmu}_{xz}^v\right) dz\right) dz+\frac{1-{\upmu}_{xz}^v{\upmu}_{zx}^v}{\upmu_z^E}\underset{z_1}{\overset{z}{\int }}\underset{z_1}{\overset{z}{\int }}\left(z{\upmu}_x^E\right) dz dz\right) dz\\ {}-\frac{q_z^{\sum }{l}^4}{8{B}_2}\left(1-\frac{8{D}_2}{h{l}^2}-\frac{4{D}_4}{B_2{l}^2}\right)-{C}_1\left(\frac{x^2}{2}- lx+\underset{z_1}{\overset{z}{\int }}\left({\upmu}_{xz}^v\left(z-{z}_1\right)\right) dz\right)-{C}_4\underset{z_1}{\overset{z}{\int }}{\upmu}_{xz}^v dz.\end{array}} $$
(38b)

Using expression of (38b), we can obtain a relation for the bending deflection of a laminated cantilever beam:

$$ {\displaystyle \begin{array}{l}{\left.\kern1em f=w\right|}_{\begin{array}{l}x=0,\\ {}z=0\end{array}}=-{q}_{z1}\left(\frac{D_0}{B_0}\underset{z_1}{\overset{0}{\int }}{\upmu}_{xz}^v dz-\frac{D_1{l}^2}{2{B}_2}-\frac{D_1}{B_2}\underset{z_1}{\overset{0}{\int }}\left(z{\upmu}_{xz}^v\right) dz+\underset{z_1}{\overset{0}{\int }}\frac{1-{\upmu}_{xz}^v{\upmu}_{zx}^v}{\upmu_z^E} dz\right)\\ {}-\frac{q_z^{\sum }{l}^4}{8{B}_2}\left(1-\frac{8}{l^2}\left(\frac{D_2}{h}+\frac{H_3^{z_0}}{l^2}-\frac{D_3}{B_0{l}^2}\underset{z_1}{\overset{0}{\int }}{\upmu}_{xz}^v dz+\frac{D_4}{2{B}_2}+\frac{D_4}{B_2{l}^2}\underset{z_1}{\overset{0}{\int }}\left(z{\upmu}_{xz}^v\right) dz\right)\right),\end{array}} $$
(39)

where a symbol for a definite integral has been introduced:

$$ {H}_3^{z_0}=\underset{z_1}{\overset{0}{\int }}\left({\upmu}_{xz}^v\underset{z_1}{\overset{z}{\int }}\left(\frac{1}{\upmu_{xz}^G}\underset{z_1}{\overset{z}{\int }}\left(z{\upmu}_x^E\right) dz-\underset{z_1}{\overset{z}{\int }}\left(z{\upmu}_{xz}^v\right) dz\right) dz+\frac{1-{\upmu}_{xz}^v{\upmu}_{zx}^v}{\upmu_z^E}\underset{z_1}{\overset{z}{\int }}\underset{z_1}{\overset{z}{\int }}\left(z{\upmu}_x^E\right) dz dz\right) dz. $$
(40)

For a homogeneous orthotropic beam, Eq. (39) is transformed to the form

$$ f=\frac{q_z^{\sum }b{l}^4}{8{E}_x{J}_y}\left(1+\left[\left({\Delta}_{f1}\frac{h^2}{l^2}+{\Delta}_{f2}\frac{h^4}{l^4}\right)\frac{E_x}{G_{xz}}\right]\right)-\left[\frac{q_{z1}h}{2{E}_z}\right], $$
(41)

where Jy = bh3/12, and Δf1 and Δf2 are constants:

$$ {\displaystyle \begin{array}{cc}{\Delta}_{f1}=\frac{4}{15}\left(1-\frac{v_{xz}{G}_{xz}}{E_x}+\frac{3{v}_{zx}{G}_{xz}}{2{E}_z}\right),& {\Delta}_{f2}=\frac{1}{16}\left(\frac{G_{xz}}{E_x}-\frac{v_{xz}}{15}\left(1-\frac{v_{xz}{G}_{xz}}{E_x}-\frac{v_{zx}{G}_{xz}}{E_z}\right)\right).\end{array}} $$
(42)

In Eq. (41), the bending deflection components that take into account the yielding of the beam material to transverse shear and compression strains were put in square brackets. If they are dropped, assuming that Gxz, E2 → ∞ and vzx, vxz → ∞, then this relation will take the form known from the strength of materials course, which indirectly confirms the validity of the obtained relations.

Using Eq (41), it is easy to assess the effect of these factors on the bending deflection of the cantilever. For instance, for a steel beam (Ex = Ez = 210 GPa, Gxz = 80 GPa, vxz = vzx = 0.26) with the ratio l/h = 10, taking into account transverse shear and compression strains results in a 0.7% increase in the calculated value of bending deflection, whereas for a composite beam of carbon-filled plastic (arbitrarily, Ex = 180 GPa, Ez = 6.2 GPa, Gxz = 5 GPa, vxz = 0.4, vzx = 0.25) at l/h = 10, it results in a 12.4% increase (2.8% due to transverse compression) and at l/h = 5, in a 49.9% increase (11.5% due to transverse compression).

Results of Studies of the Bending of a Three-Layer Beam. The relations obtained above have been realized for a three-layer composite cantilever beam (Fig. 3) of length l = 0.25 m, which is acted upon by uniformly distributed loads qz1 = 100 kPa and qz2 = 350 kPa.

Fig. 3.
figure 3

Cross section of a three-layer cantilever beam (mm).

The materials of the layers and their elastic characteristics are as follows:

  • aluminum alloy (p1), \( {E}_x^{\left[1\right]}={E}_z^{\left[1\right]}=70\;\mathrm{GPa} \), \( {G}_{xz}^{\left[1\right]}=26.9\;\mathrm{GPa} \), and \( {v}_{xz}^{\left[1\right]}={v}_{zx}^{\left[1\right]}=0.34 \);

  • wood (p2), \( {E}_x^{\left[2\right]}=15.4\;\mathrm{GPa} \), \( {E}_z^{\left[2\right]}=0.97\;\mathrm{GPa} \), \( {G}_{zx}^{\left[2\right]}=0.98\;\mathrm{GPa} \), \( {v}_{xz}^{\left[2\right]}=0.43 \), and \( {v}_{zx}^{\left[2\right]}=0.07 \);

  • glass-reinforced plastic (p3), \( {E}_x^{\left[3\right]}=57\;\mathrm{GPa} \), \( {E}_z^{\left[3\right]}=9\;\mathrm{GPa} \), \( {G}_{xz}^{\left[3\right]}=5.2\;\mathrm{GPa} \), \( {v}_{xz}^{\left[3\right]}=0.4 \), and \( {v}_{zx}^{\left[3\right]}=0.25 \).

Using the solutions (22), (29), (33), and (38) obtained above, SSS characteristics have been determined, and plots of their distribution have been constructed for the beam under consideration.

Figure 4 shows stress and strain distribution in beam cross sections at some distance from the end face. In this figure and in Fig. 5, the dashed lines show the stress, strain and displacement distribution for the case of neglecting the yielding of the beam material to transverse shear and compression strains.

Fig. 4.
figure 4

Stress and strain distribution in the cross sections of a composite cantilever beam.

Fig. 5.
figure 5

Displacement distribution over the height of cross sections (a) and over the length (b) of a three-layer composite cantilever beam.

Analysis of the obtained results shows that according to the solution of the problem under consideration (Fig. 1), the tangential (τxz) and normal (σz) stresses are independent of the yielding of the beam to transverse shear and compression strains. At the same time, these properties of the beam materials influence the nature of σx stress distribution, especially in the cross sections at a relatively large distance from the fixed end face. It is of interest that in these cross sections, the maximum of stresses σx shifts from the surface of the longitudinal faces to the inner boundaries of the outer layers. This effect of separate bending of stiffer layers cannot be described with the aid of theories based on flat cross-sectional hypothesis.

The displacement distribution over the length of characteristic fibers and over the height of cross sections is shown in Fig. 5.

The obtained results point to the significant effect of the yielding of the beam to transverse shear and compression strains on the nature of distribution and the value of both longitudinal (u) and transverse (w) displacements. The distribution of longitudinal displacements u over the height of cross sections indicates their clear curvature (warping), which is mainly caused by the yielding of the material to transverse shear strains. From the distribution of displacements w it is evident that the deflection of the lower layer decreases due to the transverse compression of the packet of layers. However, the increase in the bending deflection of the composite cantilever is most significant (38%).

Conclusions

  1. 1.

    Using the proposed techniques for simulating structure and rigid fixing by the methods of linear elasticity theory, the transverse plane bending problem of a laminated cantilever under the action of uniformly distributed loads on its longitudinal faces under absolutely hard contact between the layers has been solved.

  2. 2.

    Relations have been derived, which describe stress, strain and displacement distribution for the entire packet of the homogeneous orthotropic beam layers.

  3. 3.

    It has been shown for a three-layer composite cantilever as an example that neglecting the yielding of the beam to transverse compression strains and especially to transverse shear strains results in a significant distortion of the distribution pattern of the SSS components.

  4. 4.

    The obtained solution can be used for the prediction of the strength and stiffness of multilayer cantilever beams under plane bending conditions, for the solution of applied problems, experimental determination of the characteristics of individual layers of composite beams, and for the development of applied methods for the design of such structural elements.

References

  1. N. K. Kucher, M. N. Zarazovskii, and E. L. Danil’chuk, “Deformation and strength of laminated carbon-fiber-reinforced plastics under a static thermomechanical loading,” Mech. Compos. Mater., 48, No. 6, 669–680 (2013), DOI: https://doi.org/10.1007/s11029-013-9311-0.

    Article  Google Scholar 

  2. V. V. Vasil’ev, Mechanics of Structures Made of Composite Materials [in Russian], Mashinostroenie, Moscow (1988).

    Google Scholar 

  3. A. V. Goryk, “Modeling transverse compression of cylindrical bodies in bending,” Int. Appl. Mech., 37, No. 9, 1210–1221 (2001), DOI: https://doi.org/10.1023/A:1013294701860.

    Article  Google Scholar 

  4. A. N. Shupikov, S. V. Ugrimov, A. V. Kolodiazhny, and V. G. Yareschenko, “High-order theory of multilayer plates. The impact problem,” Int. J. Solid. Struct., 35, No. 25, 3391–3403 (1998), DOI: https://doi.org/10.1016/s0020-7683(98)00020-1.

    Article  Google Scholar 

  5. V. I. Shvab’yuk, Y. M. Pasternak, and S. V. Rotko, “Refined solution of the Timoshenko problem for an orthotropic beam on a rigid base,” Mater. Sci., 46, No. 1, 56–63 (2010), DOI: https://doi.org/10.1007/s11003-010-9263-7.

    Article  Google Scholar 

  6. V. G. Piskunov, “An iterative analytical theory in the mechanics of layered composite systems,” Mech. Compos. Mater. 2003. 39, No. 1. P. 1–16. DOI: https://doi.org/10.1023/A:1022979003150.

  7. V. G. Piskunov, A. V. Gorik, A. L. Lyakhov, and V. M. Cherednikov, “High-order model of the stress-strain state of composite bars ans its implementation by computer algebra,” Compos. Struct., 48, Nos. 1–3, 169–176 (2000), DOI: 10.19/6/S0263-8223(99)00091-4.

  8. N. I. Muskhelishvili, Some Main Problems of the Mathematical Theory of Elasticity [in Russian], Nauka, Moscow (1966).

    Google Scholar 

  9. S. G. Lekhnitskii, Theory of Anisotropic Elasticity [in Russian], Nauka, Moscow (1977).

    Google Scholar 

  10. S. G. Lekhnitskii, Anisotropic Plates [in Russian], OGIZ, Moscow (1947).

    Google Scholar 

  11. N. J. Pagano, “Exact solutions for composite laminates in cylindrical bending,” J. Compos. Mater., 3, No. 3, 398–411 (1969).

    Article  Google Scholar 

  12. N. J. Pagano, “Exact solutions for rectangular bidirectional composites sandwich plates,” J. Compos. Mater., 4, No. 1, 20–34 (1970).

    Article  Google Scholar 

  13. N. I. Bezukhov, Foundations of the Theory of Elasticity, Plasticity, and Creep [in Russian], Vysshaya Shkola, Moscow (1968).

    Google Scholar 

  14. S. P. Timoshenko and J. N. Goodier, Theory of Elasticity, 3rd edn, McGraw-Hill, New York (1970).

    Google Scholar 

Download references

Author information

Affiliations

Authors

Additional information

Translated from Problemy Prochnosti, No. 3, pp. 49 – 63, May – June, 2018.

Rights and permissions

Reprints and Permissions

About this article

Verify currency and authenticity via CrossMark

Cite this article

Gorik, A.V., Koval’chuk, S.B. Solution of a Transverse Plane Bending Problem of a Laminated Cantilever Beam Under the Action of a Normal Uniform Load. Strength Mater 50, 406–418 (2018). https://doi.org/10.1007/s11223-018-9984-7

Download citation

  • Received:

  • Published:

  • Issue Date:

  • DOI: https://doi.org/10.1007/s11223-018-9984-7

Keywords

  • beam
  • composite
  • layer
  • bending
  • stress
  • strains
  • displacements
  • warping