Skip to main content

Detailed numerical investigation of the dissipative stochastic mechanics based neuron model

Abstract

Recently, a physical approach for the description of neuronal dynamics under the influence of ion channel noise was proposed in the realm of dissipative stochastic mechanics (Güler, Phys Rev E 76:041918, 2007). Led by the presence of a multiple number of gates in an ion channel, the approach establishes a viewpoint that ion channels are exposed to two kinds of noise: the intrinsic noise, associated with the stochasticity in the movement of gating particles between the inner and the outer faces of the membrane, and the topological noise, associated with the uncertainty in accessing the permissible topological states of open gates. Renormalizations of the membrane capacitance and of a membrane voltage dependent potential function were found to arise from the mutual interaction of the two noisy systems. The formalism therein was scrutinized using a special membrane with some tailored properties giving the Rose–Hindmarsh dynamics in the deterministic limit. In this paper, the resultant computational neuron model of the above approach is investigated in detail numerically for its dynamics using time-independent input currents. The following are the major findings obtained. The intrinsic noise gives rise to two significant coexisting effects: it initiates spiking activity even in some range of input currents for which the corresponding deterministic model is quiet and causes bursting in some other range of input currents for which the deterministic model fires tonically. The renormalization corrections are found to augment the above behavioral transitions from quiescence to spiking and from tonic firing to bursting, and, therefore, the bursting activity is found to take place in a wider range of input currents for larger values of the correction coefficients. Some findings concerning the diffusive behavior in the voltage space are also reported.

This is a preview of subscription content, access via your institution.

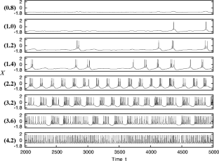
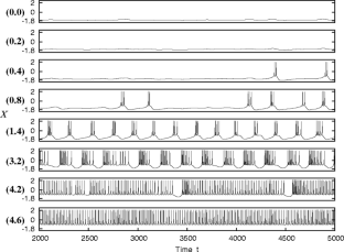
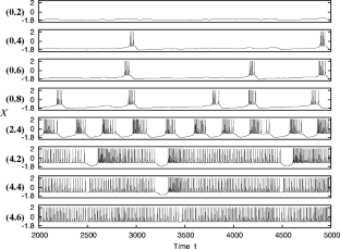
Fig. 1
Fig. 2
Fig. 3
Fig. 4
Fig. 5
Fig. 6
Fig. 7
Fig. 8
Fig. 9
Fig. 10
Fig. 11
Fig. 12
Fig. 13
Fig. 14
Fig. 15

References

  • Abarbanel, H.D.A., Huerta, R., Rabinovich, M.I., Rulkov, N.F., Rowat P.F., & Selverston A.I. (1996). Synchronized action of synaptically coupled chaotic model neurons. Neural Computation, 8, 1567–1602.

    PubMed  Article  CAS  Google Scholar 

  • Agmon, A., & Connors, B. (1989). Repetitive burst-firing neurons in the deep layers of mouse somatosensory cortex. Neuroscience Letters, 99, 137–141.

    PubMed  Article  CAS  Google Scholar 

  • Armstrong, C.M., & Bezanilla, F. (1973). Currents related to movement of the gating particles of the sodium channels. Nature, 242, 459–461.

    PubMed  Article  CAS  Google Scholar 

  • Braun, H.A., Huber, M.T., Anthes, N., Voight, K., Neiman, A., Pei, X.,et al. (2001). Noise-induced impulse pattern modifications at different dynamical period-one situations in a computer model of temperature encoding. BioSystems, 62, 99–112.

    PubMed  Article  CAS  Google Scholar 

  • Chacron, M.J., Longtin, A., & Maler, L. (2004). To burst or not to burst? Journal of Computational Neuroscience, 17, 127–136.

    PubMed  Article  Google Scholar 

  • Chow, C.C., & White, J.A. (1996). Spontaneous action potentials due to channel fluctuations. Biophysical Journal, 71, 3013–3021.

    PubMed  CAS  Google Scholar 

  • Cymbalyuk, G.S., Gaudry, Q., Masino, M.A., & Calabrese, R.L. (2002). Bursting in leech heart interneurons: Cell-autonomous and network-based mechanisms. Journal of Neuroscience, 22, 10580–10592.

    PubMed  CAS  Google Scholar 

  • DeFelice, L.J., & Isaac, A. (1992). Chaotic states in a random world: Relationship between the nonlinear differential equations of excitability and the stochastic properties of ion channels. Journal of Statistical Physics, 70, 339–354.

    Article  Google Scholar 

  • Eckhorn, R., Bauer, R., Jordan, W., Brosch, M., Munk, T., & Reitboeck, H.J. (1988). Coherent oscillations: A mechanism of feature linking in the visual cortex? Multiple electrode and correlation analysis in the cat. Biological Cybernetics, 60, 121–130.

    PubMed  Article  CAS  Google Scholar 

  • Feudel, U., Neiman, A., Pei, X., Wojtenek, W., Braun, H.A., Huber, M.T., et al. (2000). Homoclinic bifurcations in a Hodgkin–Huxley model of thermally sensitive neurons. Chaos, 10, 231–239.

    PubMed  Article  Google Scholar 

  • Fox, R.F., & Lu, Y.N. (1994). Emergent collective behavior in large numbers of globally coupled independently stochastic ion channels. Physical Review E, 49, 3421–3431.

    Article  CAS  Google Scholar 

  • Ginzburg, S.L., & Pustovoit, M.A. (2003). Bursting dynamics of a model neuron induced by intrinsic channel noise. Fluctuation and Noise Letters, 3, L265–L274.

    Article  Google Scholar 

  • Gray, C.M., & Singer, W. (1989). Stimulus-specific neuronal oscillations in orientation columns of cat visual cortex. Proceedings of National Academy of Sciences USA, 86, 1698–1702.

    Article  CAS  Google Scholar 

  • Güler, M. (2001). A model with an intrinsic property of learning higher order correlations. Neural Networks, 14, 495–504.

    PubMed  Article  Google Scholar 

  • Güler, M. (2006). Modeling the effects of channel noise in neurons: A study based on dissipative stochastic mechanics. Fluctuation and Noise Letters, 6, L147–L159.

    Article  Google Scholar 

  • Güler, M. (2007). Dissipative stochastic mechanics for capturing neuronal dynamics under the influence of ion channel noise: Formalism using a special membrane. Physical Review E, 76, 041918(17).

  • Güler, M., & Ergün, C. (2000). On the effect of the stimulus on the synchronization of coupled Rose–Hindmarsh neurons. In Proc. IEEE–INNS–ENNS Int. Joint Conf. on Neural Networks, III, 127–132.

    Google Scholar 

  • Hille, B. (2001). Ionic channels of excitable membranes (3rd ed.). Sunderland, MA: Sinauer.

    Google Scholar 

  • Hindmarsh, J.L., & Rose, R.M. (1984). A model of neuronal bursting using three coupled first order differential equations. Proceedings of the Royal Society of London, B221, 87–102.

    Article  Google Scholar 

  • Hodgkin, A.L., & Huxley, A.F. (1952). A quantitative description of membrane current and its application to conduction and excitationin in nerve. Journal of Physiology (London. Print), 117, 500–544.

    CAS  Google Scholar 

  • Johansson, S., & Ȧrhem, P. (1994). Single-channel currents trigger action potentials in small cultured hippocampal neurons. Proceedings of National Academy of Sciences USA, 91, 1761–1765.

    Article  CAS  Google Scholar 

  • Jung, P., & Shuai, J.W. (2001). Optimal sizes of ion channel clusters. Europhysics Letters, 56, 29–35.

    Article  CAS  Google Scholar 

  • Keynes, R.D., & Rojas, E. (1974). Kinetics and steady-state properties of the charged system controlling sodium conductance in the squid giant axon. Journal of Physiology (London. Print), 239, 393–434.

    CAS  Google Scholar 

  • Koch, C. (1999). Biophysics of computation: Information processing in single neurons. Oxford: Oxford University Press.

    Google Scholar 

  • Lecar, H., & Nossal, R. (1971). Theory of threshold fluctuations in nerves: Analysis of various sources of membrane noise. Biophysical Journal, 11, 1068–1084.

    PubMed  CAS  Google Scholar 

  • Lynch, J., & Barry, P. (1989). Action potentials initiated by single channels opening in a small neuron (rat olfactory receptor). Biophysical Journal, 55, 755–768.

    PubMed  CAS  Google Scholar 

  • Rowat, P.F., Elson, R.C. (2004). State-dependent effects of Na channel noise on neuronal burst generation. Journal of Computational Neuroscience, 16, 87–112.

    PubMed  Article  Google Scholar 

  • Rubinstein, J. (1995). Threshold fluctuations in N sodium channel model of the node of Ranvier. Biophysical Journal, 68, 779–785.

    PubMed  CAS  Google Scholar 

  • Sakmann, B., & Neher, N. (1995). Single-channel recording (2nd ed.). New York: Plenum.

    Google Scholar 

  • Schmid, G., Goychuk, I., & Hänggi, P. (2001). Stochastic resonance as a collective property of ion channel assemblies. Europhysics Letters, 56, 22–28.

    Article  CAS  Google Scholar 

  • Schneider, M., & Chandler, W.K. (1973). Voltage dependent charge movement in skeletal muscle: A possible step in excitation–contraction coupling. Nature, 242, 244–246.

    PubMed  Article  CAS  Google Scholar 

  • Sigworth, F.J. (1980). The variance of sodium current fluctuations at the node of Ranvier. Journal of Physiology (London. Print), 307, 97–129.

    CAS  Google Scholar 

  • Snider, R.K., Kabara, J.F., Roig, B.R., & Bonds, A.B. (1998). Burst firing and modulation of functional connectivity in cat striate cortex. Journal of Neurophysiology, 80, 730–744.

    PubMed  CAS  Google Scholar 

  • Sosnovtseva, O.V., Postnova, S.D., Mosekilde, E., & Braun H.A. (2004). Inter-pattern transitions in a noisy bursting cell. Fluctuation and Noise Letters, 4, L521–533.

    Article  Google Scholar 

  • Strassberg, A.F., & DeFelice, L.J. (1993). Limitations of the Hodgkin–Huxley formalism: effects of single channel kinetics on transmembrane voltage dynamics. Neural Computation, 5, 843–855.

    Article  Google Scholar 

  • van Vreeswijk, C., & Hansel, D. (2001). Patterns of synchrony in neural networks with spike adaptation. Neural Computation, 13, 959–992.

    PubMed  Article  Google Scholar 

  • White, J.A., Klink, R., Alonso, A., & Kay, A.R. (1998). Noise from voltage-gated ion channels may influence neuronal dynamics in the entorhinal cortex. Journal of Neurohysiology, 80, 262–269.

    CAS  Google Scholar 

  • White, J.A., Rubinstein, J.T., & Kay, A.R. (2000). Channel noise in neurons. Trends in Neurosciences, 23(3), 131–137.

    PubMed  Article  CAS  Google Scholar 

Download references

Author information

Affiliations

Authors

Corresponding author

Correspondence to Marifi Güler.

Additional information

Action Editor: Carson C. Chow

Rights and permissions

Reprints and Permissions

About this article

Cite this article

Güler, M. Detailed numerical investigation of the dissipative stochastic mechanics based neuron model. J Comput Neurosci 25, 211–227 (2008). https://doi.org/10.1007/s10827-008-0074-x

Download citation

  • Received:

  • Revised:

  • Accepted:

  • Published:

  • Issue Date:

  • DOI: https://doi.org/10.1007/s10827-008-0074-x

Keywords

  • Ion channel noise
  • Stochastic ion channels
  • Neuronal dynamics
  • Dissipative stochastic mechanics
  • Rose–Hindmarsh model