Skip to main content

Optimization of multi-pathway production chains and multi-criteria decision-making through sustainability evaluation: a biojet fuel production case study

Abstract

Selection of optimal technologies for novel biobased products and processes is a major challenge in process design, especially when are considered many alternatives available to transform materials into valuable products. Furthermore, such technological alternatives vary in their technical performances and cause different levels of economic and environmental impacts throughout their life cycles. Additionally, selection of optimal production pathways requires a shift from the traditional materials management practices to more sustainable practices. This contribution provides a method for optimizing multi-product network systems from a sustainability perspective by applying the GREENSCOPE framework as a sustainable objective function. A case study is presented in which the four GREENSCOPE target areas (i.e., efficiency, energy, economics, and environment) are evaluated by 21 preselected indicators as part of a multi-objective optimization problem of a biojet fuel production network. The biojet fuel production network evaluated in this study consists of four main elements: (1) feedstocks management, (2) conversion technologies, (3) co-products upgrading, and (4) auxiliary sections for in situ production of raw materials and utilities. For the sustainability objective function, the 21 indicators are analyzed considering multiple perspectives of stakeholders to study their influence on the decision-making process. It is, different sets of weighting factors are assigned to each of the four target areas. Hence, this sustainability evaluation from different stakeholders’ perspectives allows identifying optimal networks, specific target areas with great potential for improvements, and processing steps with great influence in the entire network performance. As a result, diverse optimal network arrangements were obtained according to the multiple stakeholders’ perspectives. This evidences that a win–win situation for all sustainability aspects considered can hardly be reached. Finally, this contribution demonstrated the applicability of the proposed methodology for sustainability evaluation, optimization, and decision-making in the context of a multi-product material facility by developing a multi-objective optimization model.

This is a preview of subscription content, access via your institution.

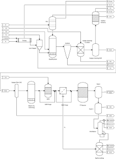
Fig. 1
Fig. 2
Fig. 3
Fig. 4
Fig. 5
Fig. 6
Fig. 7
Fig. 8
Fig. 9
Fig. 10

Notes

  1. http://www.bbc.com/news/magazine-33133712.

  2. https://sustainabledevelopment.un.org/.

Abbreviations

MCDM:

Multi-criteria decision-making

LCA:

Life cycle assessment

LCC:

Life cycle costing

GHG:

Greenhouse gas

GWP:

Global warming potential

GREENSCOPE:

Gauging reaction effectiveness for the environmental sustainability of chemistries with a multi-objective process evaluator

E’s:

GREENSCOPE perspectives (efficiency, energy, environmental, and economics)

TPC:

Total production cost

TRI:

EPA’s toxic release inventory

RME:

Reaction mass efficiency

MI:

Mass intensity

EMY:

Effective mass yield

CE:

Carbon efficiency

RIM :

Renewability-material Index

FWC:

Fractional water consumption

HHirritation :

Health hazard, irritation factor

HHchronic toxicity :

Health hazard, chronic toxicity factor

SHacute tox. :

Safety hazard, acute toxicity

TRs :

Specific toxic release

GWP:

Global warming potential

WPO2 dem. :

Aquatic oxygen demand potential

m s, spec. :

Specific solid waste mass

V l, spec. :

Specific liquid waste volume

R SEI :

Specific energy intensity

RIE :

Renewability energy index

RIEx :

Renewability-exergy index

DPBP:

Discounted payback period

TR:

Turnover ratio

C SRM :

Specific raw material cost

C E, spec. :

Specific energy cost

SMR:

Steam methane reforming process

HTL:

Hydrothermal liquefaction process

GFT:

Gasification followed by Fischer–Tropsch process

\(a_{i}\) :

Stakeholder GREENSCOPE perspective weight (i = 1, 2, 3, 4; i.e., efficiency, energy, environmental, and economic)

\(a_{i,j}\) :

Relative importance of a j index within the same GREENSCOPE perspective i

\({\text{Eff}}_{i}\) :

ith GREENSCOPE indicator of the efficiency perspective

\({\text{En}}_{i}\) :

ith GREENSCOPE indicator of the energy perspective

\({\text{Env}}_{i}\) :

ith GREENSCOPE indicator of the environmental perspective

\({\text{Econ}}_{i}\) :

ith GREENSCOPE indicator of the economic perspective

Y i :

ith node

X ij :

Arc connecting nodes I and j. Starting in i and ending in j

\(N_{{{\text{inlet}} .st - i}}\) :

Number of Inlet streams in technology i

A :

Technology matrix

f j :

Flowrate at the j position

F :

Feedstocks

e :

Compound

\(T\) :

Total number of technology nodes

n :

Number of units (e.g., nST number of service technology nodes)

STi :

ith service technology

R 1 :

ith reactant

I i :

ith intermediate node

MTi :

ith market service technology

F i :

ith feedstock

C iT j :

jth technology of the ith category of grouped technologies

NO–C iT j :

Nonexistence of the jth technology of the ith category of grouped technologies

References

  • Abnisa F, Wan Daud WMA, Husin WNW, Sahu JN (2011) Utilization possibilities of palm shell as a source of biomass energy in Malaysia by producing bio-oil in pyrolysis process. Biomass Bioenerg 35:1863–1872

    Article  CAS  Google Scholar 

  • Alves CM, de Jong S, Bonomi A, van der Wielen LAM, Mussatto SI (2017) Techno-economic assessment of biorefining technologies for aviation biofuels supply chains in Brazil. Biofuels Bioprod Biorefin 11:67–91

    Article  CAS  Google Scholar 

  • ASTM D1655 (2018) Standard specification for Aviation Turbine Fuels. ASTM International, West Conshohocken. https://doi.org/10.1520/D1655-18

    Book  Google Scholar 

  • Bouchy C, Hastoy G, Guillon E, Martens JA (2009) Fischer–Tropsch waxes upgrading via hydrocracking and selective hydroisomerization. Oil Gas Sci Technol Rev IFP 64:91–112

    Article  CAS  Google Scholar 

  • Buchholz T, Luzadis VA, Volk TA (2009) Sustainability criteria for bioenergy systems: results from an expert survey. J Clean Prod 17(Supplement 10):S86–S98

    Article  Google Scholar 

  • Cano-Ruiz JA, McRae GJ (1998) Environmentally conscious chemical process design. Annu Rev Energy Environ 23:499–536

    Article  Google Scholar 

  • Cashman SA, Meyer DE, Edelen AN, Ingwersen WW, Abraham JP, Barrett WM, Gonzalez MA, Randall PM, Ruiz-Mercado G, Smith RL (2016) Mining available data from the united states environmental protection agency to support rapid life cycle inventory modeling of chemical manufacturing. Environ Sci Technol 50:9013–9025

    Article  CAS  Google Scholar 

  • Chan YH, Yusup S, Quitain AT, Tan RR, Sasaki M, Lam HL, Uemura Y (2015) Effect of process parameters on hydrothermal liquefaction of oil palm biomass for bio-oil production and its life cycle assessment. Energy Conversat Manag 104:180–188

    Article  CAS  Google Scholar 

  • Cheali P, Posada JA, Gernaey KV, Sin G (2016) Economic risk analysis and critical comparison of optimal biorefinery concepts. Biofuels Bioprod Biorefin 10:435–445

    Article  CAS  Google Scholar 

  • Cornelio da Silva C (2016) Lignin valorisation for integrated biorefineries in Brazil: explorative analysis for biojet fuel and chemicals production. Design report: Professional Doctorate in Engineering—Bioprocess Engineering Design. Delft University of Technology

  • Cortez LAB (2014) Roadmap for sustainable aviation Biofuels for Brazil: a Flightpath to aviation biofuels in Brazil. Editorial Edgard Blücher, Sao Paulo

    Google Scholar 

  • da Silva C, Mussatto MI, Osseweijer P, van der Wielen L, Posada JA (2016) Techno-economic and GHG emissions analysis of oil crops and forestry residues as feedstocks for integrated biojet fuel biorefineries in Brazil. In: Bioresource technology conference, 23–26 October, Sitges, Barcelona, Spain

  • de Jong S, Hoefnagels R, Faaij A, Slade R, Mawhood R, Junginger M (2015) The feasibility of short-term production strategies for renewable jet fuels—a comprehensive techno-economic comparison. Biofuels Bioprod Biorefin 9:778–800

    Article  CAS  Google Scholar 

  • de la Ree AB (2011) Fischer–Tropsch catalyst for aviation fuel production. In: IECEC-9, San Diego, CA

  • DESC (Dynamotive Energy Systems Corporation) (2009) Dynamotive upgrades BioOil from multiple biomass sources to a uniform hydrocarbon product. http://www.businesswire.com/news/home/20091028005379/en/Dynamotive-Upgrades-BioOil-Multiple-Biomass-Sources-Uniform. Accessed 16 March 2016

  • Diederichs GW, Mandegari MA, Farzad S, Görgens JF (2016) Techno-economic comparison of biojet fuel production from lignocellulose, vegetable oil and sugar cane juice. Biores Technol 216:331–339

    Article  CAS  Google Scholar 

  • Dowling A, Ruiz-Mercado G, Zavala VM (2016) A framework for multi-stakeholder decision-making and conflict resolution. Comput Chem Eng 90:136–150

    Article  CAS  Google Scholar 

  • Elgowainy AJH, Wang M, Carter N, Stratton R, Hileman J, Malwitz A, Balasubramanian S (2012) Life cycle analysis of alternative aviation fuels in GREET, June 30

  • Elliott D, Hallen R, Schmidt A (2015). Hydrothermal processing of biomass. In: DOE bioenergy technologies office (BETO)—2015 project peer review project peer review. Pacific Northwest National Laboratory, March 26

  • Garcia-Perez M, Wang XS, Shen J, Rhodes MJ, Tian F, Lee WJ, Wu H, Li CZ (2008) Fast pyrolysis of oil mallee woody biomass: effect of temperature on the yield and quality of pyrolysis products. Ind Eng Chem Res 47:1846–1854

    Article  CAS  Google Scholar 

  • Gargalo C, Cheali P, Posada JA, Carvalho A, Gernaey KV, Sin G (2016a) Assessing the environmental sustainability of early stage design for bioprocesses under uncertainties: an analysis of glycerol bioconversion. J Clean Prod 139:1245–1260

    Article  CAS  Google Scholar 

  • Gargalo C, Cheali P, Posada JA, Gernaey KV, Sin G (2016b) Economic risk assessment of early-stage designs for glycerol valorization in biorefinery concepts. Ind Eng Chem Res 55:6801–6814

    Article  CAS  Google Scholar 

  • González-Estudillo JC, González-Campos J, Nápoles-Rivera F, Ponce-Ortega JM, El-Halwagi MM (2017) Optimal planning for sustainable production of Avocado in Mexico. Process Integr Optim Sustain 1:109–120

    Article  Google Scholar 

  • Guettel R, Kunz U, Turek T (2008) Reactors for Fischer–Tropsch synthesis. Chem Eng Technol 31:746–754

    Article  CAS  Google Scholar 

  • Gutiérrez-Antonio C, Gómez-Castro FI, Lira-Flores JA, Hernández S (2017) A review on the production processes of renewable jet fuel. Renew Sustain Energy Rev 79:709–729

    Article  Google Scholar 

  • Hamelinck CN, Faaij AP (2006) Outlook for advanced biofuels. Energy Policy 34:3268–3283

    Article  Google Scholar 

  • Herreras Martinez S, van Eijck J, da Cunha MP, Guilhoto JJM, Walter A, Faaij A (2013) Analysis of socio-economic impacts of sustainable sugarcane-ethanol production by means of inter-regional input–output analysis: demonstrated for Northeast Brazil. Renew Sustain Energy Rev 28:290–316

    Article  Google Scholar 

  • Huber GW, Iborra S, Corma A (2006) Synthesis of transportation fuels from biomass: chemistry, catalysts, and engineering. Chem Rev 106:4044–4098

    Article  CAS  Google Scholar 

  • Jansen RA (2012) Second generation biofuels and biomass: essential guide for investors, scientists and decision makers. Wiley, New York

    Book  Google Scholar 

  • Jin F (2014) Application of hydrothermal reactions to biomass conversion. Springer, Berlin

    Book  Google Scholar 

  • Jones S, Meyer P, Snowden-Swan L, Padmaperuma A, Tan E, Dutta A, Jacobson J, Cafferty K (2013) Process design and economics for the conversion of lignocellulosic biomass to hydrocarbon fuels: fast pyrolysis and hydrotreating bio-oil pathway. National Renewable Energy Laboratory (NREL), Golden

    Google Scholar 

  • Jones S, Zhu Y, Anderson D, Hallen R, Elliott D, Schmidt A, Albrecht K, Hart T, Butcher M, Drennan C, Snowden-Swan L, Davis R, Kinchin C (2014) Process design and economics for the conversion of algal biomass to hydrocarbons: whole algae hydrothermal liquefaction and upgrading. Pacific Northwest National Laboratory, Richland

    Book  Google Scholar 

  • Kim SJ, Jung SH, Kim JS (2010) Fast pyrolysis of palm kernel shells: influence of operation parameters on the bio-oil yield and the yield of phenol and phenolic compounds. Biores Technol 101:9294–9300

    Article  CAS  Google Scholar 

  • Kim J, Sen SM, Maravelias CT (2013) An optimization-based assessment framework for biomass-to-fuel conversion strategies. Energy Environ Sci 6(4):1093–1104

    Article  CAS  Google Scholar 

  • König DH, Baucks N, Dietrich RU, Worner A (2015) Simulation and evaluation of a process concept for the generation of synthetic fuel from CO2 and H2. Energy 91:833–841

    Article  CAS  Google Scholar 

  • Labuschagne C, Brent AC, van Erck RPG (2005) Assessing the sustainability performances of industries. J Clean Prod 13(4):373–385

    Article  Google Scholar 

  • Larragoiti-Kuri J, Rivera-Toledo M, Cocho-Roldán J, Maldonado-Ruiz EK, Le Borgne S, Pedraza-Segura L (2017) Convenient product distribution for a lignocellulosic biorefinery: optimization through sustainable indexes. Ind Eng Chem Res 56:11388–11397

    Article  CAS  Google Scholar 

  • Lubwama M (2009) Technical assessment of the functional and operational performance of a fixed bed biomass gasifier using agricultural residues. MSc thesis in Energy Technology, KTH School of Industrial Engineering and Management

  • Luu LQ, Halog A (2016) Chapter fourteen—life cycle sustainability assessment: a holistic evaluation of social, economic, and environmental impacts. In: Ruiz-Mercado Gerardo, Cabezas Heriberto (eds) Sustainability in the design, synthesis and analysis of chemical engineering processes. Butterworth-Heinemann, Oxford, pp 327–352

    Chapter  Google Scholar 

  • Mirkouei A, Haapala KR, Sessions J, Murthy GS (2017a) A mixed biomass-based energy supply chain for enhancing economic and environmental sustainability benefits: a multi-criteria decision making framework. Appl Energy 206:1088–1101

    Article  Google Scholar 

  • Mirkouei A, Haapala KR, Sessions J, Murthy GS (2017b) A review and future directions in techno-economic modeling and optimization of upstream forest biomass to bio-oil supply chains. Renew Sustain Energy Rev 67:15–35

    Article  Google Scholar 

  • Murillo-Alvarado PE, Ponce-Ortega JM, Serna-González M, Castro-Montoya AJ, El-Halwagi MM (2013) Optimization of pathways for biorefineries involving the selection of feedstocks, products, and processing steps. Ind Eng Chem Res 14:5177–5190

    Article  CAS  Google Scholar 

  • Nipattummakul N, Ahmed II, Gupta AK, Kerdsuwan S (2011) Hydrogen and syngas yield from residual branches of oil palm tree using steam gasification. Int J Hydrog Energy 36:3835–3843

    Article  CAS  Google Scholar 

  • Oasmaa A, Solantausta Y, Arpiainen V, Kuoppala E, Sipila K (2009) Fast pyrolysis bio-oils from wood and agricultural residues. Energy Fuels 24:1380–1388

    Article  CAS  Google Scholar 

  • Palmeros Parada M, Osseweijer P, Posada JA (2017) Sustainable biorefineries, an analysis of practices for incorporating sustainability in biorefinery design. Ind Crops Prod 106:105–123

    Article  CAS  Google Scholar 

  • Palmeros Parada M, Asveld L, Osseweijer P, Posada JA (2018) Setting the design space of biorefineries through sustainability values, a practical approach. Biofuels Bioprod Biorefin 12:29–44

    Article  CAS  Google Scholar 

  • Pashaei-Kamali F, Borges JA, Osseweijer P, Posada JA (2018) Towards social sustainability: screening potential social and governance issues for biojet fuel supply chains in Brazil. Renew Sustain Energy Rev 92:50–61

    Article  Google Scholar 

  • Posada JA, Brentner LB, Ramirez A, Patel MK (2016) Conceptual design of sustainable integrated microalgae biorefineries: parametric analysis of energy use, greenhouse gas emissions and techno-economics. Algal Res 17:113–131

    Article  Google Scholar 

  • Radich T (2015) The flight paths for biojet fuel. U.S. Energy Information Administration, Washington

    Google Scholar 

  • Rowley HV, Peters GM, Lundie S, Moore SJ (2012) Aggregating sustainability indicators: beyond the weighted sum. J Environ Manag 111:24–33

    Article  Google Scholar 

  • Ruiz-Mercado GJ, Smith RL, Gonzalez MA (2012a) Sustainability indicators for chemical processes: I. Taxonomy. Ind Eng Chem Res 51:2309–2328

    Article  CAS  Google Scholar 

  • Ruiz-Mercado GJ, Smith RL, Gonzalez MA (2012b) Sustainability indicators for chemical processes: II. Data needs. Ind Eng Chem Res 51:2329–2353

    Article  CAS  Google Scholar 

  • Ruiz-Mercado GJ, Gonzalez MA, Smith RL (2013) Sustainability indicators for chemical processes: III. Biodiesel case study. Ind Eng Chem Res 52:6747–6760

    Article  CAS  Google Scholar 

  • Ruiz-Mercado GJ, Gonzalez MA, Smith RL (2014) Expanding GREENSCOPE beyond the gate: a green chemistry and life cycle perspective. Clean Technol Environ Policy 16:703–717

    Article  Google Scholar 

  • Santos CI, Silva CC, Mussatto SI, Osseweijer P, van der Wielen LAM, Posada JA (2017) Integrated 1st and 2nd generation sugarcane bio-refinery for jet fuel production in Brazil: techno-economic and greenhouse gas emissions assessment. Renew Energy. https://doi.org/10.1016/j.renene.2017.05.011

    Article  Google Scholar 

  • Seo Y, Ly HV, Kim J, Kim SS, Cho W, Baek Y (2015) Gasification characteristics of Pinus rigida (Pitch Pine) and Quercus variabilis (Oriental Oak) with Dolomite Catalyst in a Fluidized Bed Reactor. Energy Sources Part A Recovery Util Environ Eff 37:1637–1646

    Article  CAS  Google Scholar 

  • Sikdar SK (2009) On aggregating multiple indicators into a single metric for sustainability. Clean Technol Environ Policy 11:157–161

    Article  Google Scholar 

  • Sikdar SK, Sengupta D, Harten P (2012) More on aggregating multiple indicators into a single index for sustainability analyses. Clean Technol Environ Policy 14:765–773

    Article  Google Scholar 

  • Singh R, Prakash A, Balagurumurthy B, Singh R, Saran S, Bhaskar T (2015) Hydrothermal liquefaction of agricultural and forest biomass residue: comparative study. J Mater Cycles Waste Manag 17:445–452

    Article  CAS  Google Scholar 

  • Smith R (2005) Chemical process design. Wiley, New York

    Google Scholar 

  • Smith RL, Ruiz-Mercado GJ (2014) A method for decision making using sustainability indicators. Clean Technol Environ Policy 16:749–755

    Article  Google Scholar 

  • Smith RL, Ruiz-Mercado G, Meyer DE, Gonzalez MA, Abraham JP, Barrett WM, Randall PM (2017) Coupling computer-aided process simulation and estimations of emissions and land use for rapid life cycle inventory modeling. ACS Sustain Chem Eng 5:3786–3794

    Article  CAS  Google Scholar 

  • Swanson RM, Satrio JA, Brown RC, Platon A, Hsu DD (2010) Techno-economic analysis of biofuels production based on gasification. National Renewable Energy Laboratory (NREL), Golden, Colorado

    Book  Google Scholar 

  • Tahir AC, Darton RC (2010) The process analysis method of selecting indicators to quantify the sustainability performance of a business operation. J Clean Prod 18(16):1598–1607

    Article  Google Scholar 

  • Tews I, Zhu Y, Drennan CV, Elliott DC, Snowden-Swan LJ, Onarheim K, Solantausta Y, Beckman D (2014) Biomass direct liquefaction options: TechnoEconomic and life cycle assessment. Pacific Northwest National Laboratory, Richland

    Book  Google Scholar 

  • Tijmensen MJ, Faaij APC, Hamelinck CN, van Hardeveld MRM (2002) Exploration of the possibilities for production of Fischer Tropsch liquids and power via biomass gasification. Biomass Bioenergy 23:129–152

    Article  CAS  Google Scholar 

  • Tzanetis KF, Posada JA, Ramirez A (2017) Analysis of biomass hydrothermal liquefaction and biocrude-oil upgrading for renewable jet fuel production: the impacts of reaction conditions on production costs and GHG emissions performance. Renew Energy 113:1388–1398

    Article  CAS  Google Scholar 

  • Wang JJ, Jing YY, Zhang CF, Zhao JH (2009) Review on multicriteria decision analysis aid in sustainable energy decision making. Renew Sustain Energy Rev 13:2263–2278

    Article  Google Scholar 

  • Yue D, Pandya S, You F (2016) Integrating hybrid life cycle assessment with multiobjective optimization: a modeling framework. Environ Sci Technol 50(3):1501–1509

    Article  CAS  Google Scholar 

  • Zavala VM (2016) Chapter seven—managing conflicts among decision makers in multiobjective design and operations. In: Ruiz-Mercado Gerardo, Cabezas Heriberto (eds) Sustainability in the design, synthesis and analysis of chemical engineering processes. Butterworth-Heinemann, Oxford, pp 169–180

    Chapter  Google Scholar 

  • Zhu Y, Biddy MJ, Jones SB, Elliott DC, Schmidt AJ (2014) Techno-economic analysis of liquid fuel production from woody biomass via hydrothermal liquefaction (HTL) and upgrading. Appl Energy 129:384–394

    Article  CAS  Google Scholar 

Download references

Author information

Affiliations

Authors

Corresponding author

Correspondence to Eduardo Vyhmeister.

Electronic supplementary material

Below is the link to the electronic supplementary material.

Supplementary material 1 (DOCX 48 kb)

Rights and permissions

Reprints and Permissions

About this article

Verify currency and authenticity via CrossMark

Cite this article

Vyhmeister, E., Ruiz-Mercado, G.J., Torres, A.I. et al. Optimization of multi-pathway production chains and multi-criteria decision-making through sustainability evaluation: a biojet fuel production case study. Clean Techn Environ Policy 20, 1697–1719 (2018). https://doi.org/10.1007/s10098-018-1576-5

Download citation

  • Received:

  • Accepted:

  • Published:

  • Issue Date:

  • DOI: https://doi.org/10.1007/s10098-018-1576-5

Keywords

  • Biojet fuel biorefinery
  • Multi-criteria decision-making
  • Multi-objective optimization
  • Multi-stakeholder analysis
  • Sustainability assessment
  • Materials management