Abstract
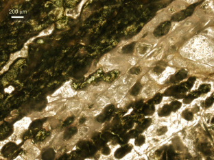
Well-preserved pillow lavas in the uppermost part of the Early Archean volcanic sequence of the Hooggenoeg Formation in the Barberton Greenstone Belt exhibit pronounced flow banding. The banding is defined by mm to several cm thick alternations of pale green and a dark green, conspicuously variolitic variety of aphyric metabasalt. Concentrations of relatively immobile TiO2, Al2O3 and Cr in both varieties of lava are basaltic. Compositional differences between bands and variations in the lavas in general have been modified by alteration, but indicate mingling of two different basalts, one richer in TiO2, Al2O3, MgO, FeOt and probably Ni and Cr than the other, as the cause of the banding. The occurrence in certain pillows of blebs of dark metabasalt enclosed in pale green metabasalt, as well as cores of faintly banded or massive dark metabasalt, suggest that breakup into drops and slugs in the feeder channel to the lava flow initiated mingling. The inhomogeneous mixture was subsequently stretched and folded together during laminar shear flow through tubular pillows, while diffusion between bands led to partial homogenisation. The most common internal pattern defined by the flow banding in pillows is concentric. In some pillows the banding defines curious mushroom-like structures, commonly cored by dark, variolitic metabasalt, which we interpret as the result of secondary lateral flow due to counter-rotating, transverse (Dean) vortices induced by the axial flow of lava towards the flow front through bends, generally downward, in the tubular pillows. Other pillows exhibit weakly-banded or massive, dark, variolitic cores that are continuous with wedge-shaped apophyses and veins that intrude the flow banded carapace. These cores represent the flow of hotter and less viscous slugs of the dark lava type into cooled and stiffened pillows.














References
Abraham K, Opfergelt, S, Cardinal D, Hofmann A, Foley S, André L (2007) Si isotopes as a clue to understanding Eoarchean silicifications. Goldschmidt Conf Abstr 2007 A3
Appel WU, Polat A, Frei R (2009) Dacitic ocelli in mafic lavas, 3.8–3.7 Ga Isua greenstone belt, West Greenland. Geochemical evidence for partial melting of oceanic crust and magma mixing. Chem Geol 258:105–124
Armstrong RA, Compston W, de Wit MJ, Williams IS (1990) The stratigraphy of the 3.5–3.2 Ga Barberton greenstone belt revisited; a single zircon ion microprobe study. Earth Planet Sci Lett 101:90–106
Banerjee NR, Furnes H, Muehlenbachs K, Staudigel H, de Wit M (2006) Preservation of 3.4–3.5 Ga microbial biomarkers in pillow lavas and hyaloclastites from the Barberton Greenstone Belt, South Africa. Earth Planet Sci Lett 241:707–722
Berger SA, Talbot L, Yao LS (1983) Flow in curved pipes. Ann Rev Fluid Mech 15:461–512
Byerly GR, Lowe DR, Nocita BW, Ransom BL (1983) Apparent volcanic cycles in the Archean Swaziland Supergroup, Barberton Mountain Land, South Africa: a result of non-magmatic processes. 14th Lunar Planet Sci Conf Houston Abstr 1:84–85
Condie KC, Viljoen MJ, Kable EJD (1977) Effects of alteration on element distributions in Archean tholeiites from the Barberton Greenstone Belt, South Africa. Contrib Mineral Petrol 64:75–89
Dann JC, Grove TL (2007) Volcanology of the Barberton Greenstone Belt, South Africa: inflation and evolution of flow fields. Devel Precambr Geol 15:527–570
de Wit MJ (1983) Notes on a preliminary 1:25, 000 geological map of the southern part of the Barberton Greenstone Belt. Geol Soc South Africa Spec Publ 9:185–187
de Wit MJ, Hart R, Martin A, Abbot P (1982) Archean abiogenic and probable biogenic structures associated with mineralised hydrothermal systems and regional metasomatism, with implications for greenstone belt studies. Econ Geol 77:1783–1801
de Wit MJ, Hart RA, Hart RJ (1987) The Jamestown Ophiolite Complex, Barberton mountain belt: a section through 3.5 Ga oceanic crust. J African Earth Sci 6:681–730
Dean WR (1928) Fluid motion in a curved channel. Proc Royal Soc London Ser A121:402–420
Duchač KC, Hanor JS (1987) Origin and timing of the metasomatic silicification of an Early Archean komatiite sequence, Barberton Mountain Land, South Africa. Precambr Res 37:125–146
Expedition 309 Scientists (2005) Superfast spreading rate crust 2: a complete in situ section of upper oceanic crust formed at a superfast spreading rate. IODP Prelim Rep 309. doi:10:2204/iodp.pr.309.2005
Furnes H, Banerjee NR, Muehlenbachs K, Staudigel H, de Wit M (2004) Early life recorded in Archean pillow lavas. Science 304:578–81
Fowler AD, Berger B, Shore M, Jones MI, Ropchan J (2002) Supercooled rocks: development and significance of varioles, spherulites, dendrites and spinifex in Archean volcanic rocks, Abitibi Greenstone Belt, Canada. Precambr Res 115:311–328
Gelinas L, Brooks C, Trzcienski WE (1976) Archean variolites; quenched immiscible liquids. Can J Earth Sci 13:210–230
Hanor JS, Duchač KC (1990) Isovolumetric silicification of Early Archean komatiites: geochemical mass balances and constraints on origin. J Geol 98:863–877
Hargreaves R, Ayres LD (1979) Morphology of Archean metabasalt flows, Utik Lake, Manitoba. Can J Earth Sci 16:1452–66
Jones JG (1968) Pillow lava and pahoehoe: a discussion. J Geol 76:485–488
Hofmann A, Wilson AH (2007) Silicified basalts, bedded cherts and other sea floor alteration phenomena of the 3.4 Ga Nondweni Greenstone belt, South Africa. Devel Precambr Geol 15:571–605
Kröner A, Byerly GR, Lowe DR (1991) Chronology of early Archean granite-greenstone evolution in the Barberton Mountain Land, South Africa, based on precise dating by single zircon evaporation. Eos Trans AGU 70:1404
Lowe DR (1999) Petrology and sedimentology of cherts and related silicified sedimentary rocks in the Swaziland Supergroup. Geol Soc Am Spec Pap 329:83–114
Lowe DR, Byerly GR (1986) Archean flow-top alteration zones formed initially in a low-temperature sulphate rich environment. Nature 324:245–248
Lowe DR, Byerly GR (1999) Stratigraphy of the west-central part of the Barberton Greenstone Belt, South Africa. Geol Soc Am Spec Pap 329:1–36
Lowe DR, Byerly GR (2007) An overview of the geology of the Barberton Greenstone Belt and vicinity: implications for early crustal development. Devel Precambr Geol 15:481–526
Maicher D, White JDL, Batiza R (2000) Sheet hyaloclastite: density-current deposits of quench and bubble-burst fragments from thin, glassy sheet lava flows, Seamount Six, Eastern Pacific ocean. Mar Geol 171:75–94
Padfield T, Gray A (1971) Major element rock analyses by X-ray fluorescence—a simple fusion method. NV Philips, Eindhoven, Analytical Equipment FS 35
Seaman SJ, Scherer EE, Standish JJ (1995) Multistage magma mingling and the origin of flow banding in the Aliso lava dome, Tumacacori Mountains, southern Arizona. J Geophys Res 100:8381–8398
Viljoen RP, Viljoen MJ (1969) The geological and geochemical significance of the upper formations of the Onverwacht Group. Spec Publ Geol Soc S Afr 2:113–152
Vuagnat M (1975) Pillow lava flows: isolated sacks or connected tubes? Bull Volcanol 39:581–589
Acknowledgements
The authors thank the Mpumalanga Parks Board for their permission to collect samples within the Songimvelo Nature Reserve. We are extremely grateful to Fred Daniel of the Nkomazi Wilderness Resort for his generous hospitality and support.
Author information
Authors and Affiliations
Corresponding author
Additional information
Editorial responsibility J. White
Rights and permissions
About this article
Cite this article
Robins, B., Sandstå, N.R., Furnes, H. et al. Flow banding in basaltic pillow lavas from the Early Archean Hooggenoeg Formation, Barberton Greenstone Belt, South Africa. Bull Volcanol 72, 579–592 (2010). https://doi.org/10.1007/s00445-009-0341-3
Received:
Accepted:
Published:
Issue Date:
DOI: https://doi.org/10.1007/s00445-009-0341-3