Skip to main content

Bioaugmentation treatment for coking wastewater containing pyridine and quinoline in a sequencing batch reactor

Abstract

Two pyridine-degrading bacteria and two quinoline-degrading bacteria were introduced for bioaugmentation to treat the coking wastewater. Sequencing batch reactors (SBRs) were used for a comparative study on the treatment efficiency of pyridine, quinoline, and chemical oxygen demand. Results showed that the treatment efficiency with coking-activated sludge plus a mixture of the four degrading bacteria was much better than that ones with coking-activated sludge only or mixed degrading bacteria only. Moreover, a 52-day continuous operation of the bioaugmented and general SBRs was investigated. The bioaugmented SBR showed better treatment efficiency and stronger capacity to treat high pyridine and quinoline shock loading. The general SBR failed to cope with the shock loading, and the biomass of the activated sludge decreased significantly. In order to monitor the microbial ecological variation during the long-term treatment, the bacterial community in both reactors was monitored by the amplicon length heterogeneity polymerase chain reaction technique. The diversity of the bacterial community decreased in both reactors, but the introduced highly efficient bacteria were dominant in the bioaugmented SBR. Our experiment showed clearly that the use of highly efficient bacteria in SBR process could be a feasible method to treat wastewater containing pyridine or/and quinoline.

This is a preview of subscription content, access via your institution.

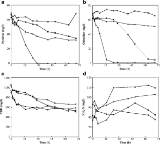
Fig. 1
Fig. 2
Fig. 3
Fig. 4

References

  • APHA (1995) Standard methods for the examination of water and wastewater. American Public Health Association, Washington

    Google Scholar 

  • Bai YH, Sun QH, Zhao C, Wen DH, Tang XY (2008) Microbial degradation and metabolic pathway of pyridine by a Paracoccus sp. strain BW001. Biodegradation 19:915–926

    Article  CAS  Google Scholar 

  • Bai YH, Sun QH, Zhao C, Wen DH, Tang XY (2009a) Simultaneous biodegradation of pyridine and quinoline by two mixed bacterial strains. Appl Microbiol Biotechnol 82:963–973

    Article  CAS  Google Scholar 

  • Bai YH, Sun QH, Zhao C, Wen DH, Tang XY (2009b) Aerobic degradation of pyridine by a new bacterial strain, Shinella zoogloeoides BC026. J Ind Microbiol Biotechnol 36:1391–1400

    Article  CAS  Google Scholar 

  • Bai YH, Sun QH, Zhao C, Wen DH, Tang XY (2010) Quinoline biodegradation and its nitrogen transformation pathway by a Pseudomonas sp. strain. Biodegradation 21:335–344

  • Boon N, Goris J, De Vos P, Verstraete W, Top EM (2000) Bioaugmentation of activated sludge by an indigenous 3-chloroaniline-degrading Comamonas testosteroni strain, I2gfp. Appl Environ Microbiol 66:2906–2913

    Article  CAS  Google Scholar 

  • Boon N, Top EM, Verstraete W, Siciliano SD (2003) Bioaugmentation as a tool to protect the structure and function of an activated-sludge microbial community against a 3-chloroaniline shock load. Appl Environ Microbiol 69:1511–1520

    Article  CAS  Google Scholar 

  • Chao WL, Cheng CY (2007) Effect of introduced phthalate-degrading bacteria on the diversity of indigenous bacterial communities during di-(2-ethylhexyl) phthalate (DEHP) degradation in a soil microcosm. Chemosphere 67:482–488

    Article  CAS  Google Scholar 

  • Dalsgaard T, Dezwart J, Robertson LA, Kuenen JG, Revsbech NP (1995) Nitrification, denitrification and growth in artificial Thiosphaera Pantotropha biofilms as measured with a combined microsensor for oxygen and nitrous oxide. FEMS Microbiol Ecol 17:137–147

    Article  CAS  Google Scholar 

  • Ganesh R, Balaji G, Ramanujam RA (2006) Biodegradation of tannery wastewater using sequencing batch reactor—respirometric assessment. Bioresour Technol 97:1815–1821

    Article  CAS  Google Scholar 

  • Heinaru E, Merimaa M, Viggor S, Lehiste M, Leito I, Truu J, Heinaru A (2005) Biodegradation efficiency of functionally important populations selected for bioaugmentation in phenol- and oil-polluted area. FEMS Microbiol Ecol 51:363–373

    Article  CAS  Google Scholar 

  • Jernberg C, Jansson JK (2002) Impact of 4-chlorophenol contamination and/or inoculation with the 4-chlorophenol-degrading strain, Arthrobacter chlorophenolicus A6L, on soil bacterial community structure. FEMS Microbiol Ecol 42:387–397

    Article  CAS  Google Scholar 

  • Kulikowska D, Klimiuk E, Drzewicki A (2007) BOD5 and COD removal and sludge production in SBR working with or without anoxic phase. Bioresour Technol 98:1426–1432

    Article  CAS  Google Scholar 

  • Maranon E, Vazquez I, Rodriguez J, Castrillon L, Fernandez Y, Lopez H (2008) Treatment of coke wastewater in a sequential batch reactor (SBR) at pilot plant scale. Bioresour Technol 99:4192–4198

    Article  CAS  Google Scholar 

  • Moir JWB, Wehrfritz JM, Spiro S, Richardson DJ (1996) The biochemical characterization of a novel non-haem-iron hydroxylamine oxidase from Paracoccus denitrificans GB17. Biochem J 319:823–827

    CAS  Google Scholar 

  • Padoley KV, Rajvaidya AS, Subbarao TV, Pandey RA (2006) Biodegradation of pyridine in a completely mixed activated sludge process. Bioresour Technol 97:1225–1236

    Article  CAS  Google Scholar 

  • Qu YY, Zhou JT, Wang J, Xing LL, Jiang N, Gou M, Uddin MS (2009) Population dynamics in bioaugmented membrane bioreactor for treatment of bromoamine acid wastewater. Bioresour Technol 100:244–248

    Article  CAS  Google Scholar 

  • Raina V, Suar M, Singh A, Prakash O, Dadhwal M, Gupta SK, Dogra C, Lawlor K, Lal S, van der Meer JR, Holliger C, Lal R (2008) Enhanced biodegradation of hexachlorocyclohexane (HCH) in contaminated soils via inoculation with Sphingobium indicum B90A. Biodegradation 19:27–40

    Article  CAS  Google Scholar 

  • Rhee SK, Lee GM, Lee ST (1996) Influence of a supplementary carbon source on biodegradation of pyridine by freely suspended and immobilized Pimelobacter sp. Appl Microbiol Biotechnol 44:816–822

    CAS  Google Scholar 

  • Ritchie NJ, Schutter ME, Dick RP, Myrold DD (2000) Use of length heterogeneity PCR and fatty acid methyl ester profiles to characterize microbial communities in soil. Appl Environ Microbiol 66:1668–1675

    Article  CAS  Google Scholar 

  • Rossellomora RA, Wagner M, Amann R, Schleifer KH (1995) The abundance of Zoogloea ramigera in sewage treatment plants. Appl Environ Microbiol 61:702–707

    CAS  Google Scholar 

  • Sambrook J, Russell D (2001) Molecular cloning: a laboratory manual, 3rd edn. Cold Spring Harbor Laboratory Press, New York

    Google Scholar 

  • Shukla OP (1986) Microbial transformation of quinoline by a Pseudomonas sp. Appl Environ Microbiol 51:1332–1342

    CAS  Google Scholar 

  • State Environmental Protection Administration of China (1989) Monitoring and analysis method of water and wastewater, 3rd edn. China Environmental Science Press, Beijing, in Chinese

    Google Scholar 

  • Stuven R, Bock E (2001) Nitrification and denitrification as a source for NO and NO2 production in high-strength wastewater. Water Res 35:1905–1914

    Article  CAS  Google Scholar 

  • Sugaya K, Nakayama O, Hinata N, Kamekura K, Ito A, Yamagiwa K, Ohkawa A (2001) Biodegradation of quinoline in crude oil. J Chem Technol Biotechnol 76:603–611

    Article  CAS  Google Scholar 

  • Sun QH, Bai YH, Zhao C, Xiao YN, Wen DH, Tang XY (2009) Aerobic biodegradation characteristics and metabolic products of quinoline by a Pseudomonas strain. Bioresour Technol 100:5030–5036

    Article  CAS  Google Scholar 

  • Wang JL, Quan XC, Han LP, Qian Y, Hegemann W (2002) Microbial degradation of quinoline by immobilized cells of Burkholderia pickettii. Water Res 36:2288–2296

    Article  CAS  Google Scholar 

  • Watson GK, Cain RB (1975) Microbial metabolism of pyridine ring—metabolic pathways of pyridine biodegradation by soil bacteria. Biochem J 146:157–172

    CAS  Google Scholar 

Download references

Acknowledgements

This study was supported by an “863” Exploration Project (no. 2006AA06Z336) granted by the Chinese Ministry of Science and Technology and a general project (no. 50878001) granted by the Chinese National Science Foundation. We sincerely thank Dr. Zbigniew Cichacz in the Biodesign Institute at Arizona State University for carefully checking the paper.

Author information

Affiliations

Authors

Corresponding author

Correspondence to Donghui Wen.

Electronic supplementary material

Below is the link to the electronic supplementary material.

ESM 1

(DOC 136 kb)

Rights and permissions

Reprints and Permissions

About this article

Cite this article

Bai, Y., Sun, Q., Zhao, C. et al. Bioaugmentation treatment for coking wastewater containing pyridine and quinoline in a sequencing batch reactor. Appl Microbiol Biotechnol 87, 1943–1951 (2010). https://doi.org/10.1007/s00253-010-2670-8

Download citation

  • Received:

  • Revised:

  • Accepted:

  • Published:

  • Issue Date:

  • DOI: https://doi.org/10.1007/s00253-010-2670-8

Keywords

  • Bioaugmentation
  • Pyridine
  • Quinoline
  • SBR
  • Bacterial community