Power electronic transformer with adaptive PLL technique for voltage-disturbance ride through
- 505 Downloads
Abstract
The power electronic transformer (PET) has recently emerged as a type of power converter. It features the basic functions of power conversion and isolation as well as additional functions related to power quality control. A novel PET for a distribution grid called a flexible power distribution unit is proposed in this paper, and the energy exchange mechanism between the network and the load is revealed. A 30 kW 600 VAC/220 VAC/110 VDC medium-frequency isolated prototype is developed and demonstrated. This paper also presents key control strategies of the PET for electrical distribution grid applications, especially under grid voltage disturbance conditions. Moreover, stability issues related to the grid-connected three-phase PET are discussed and verified with an impedance-based analysis. The PET prototype is tested, and it passes the voltage-disturbance ride-through function. The experimental results verify the power quality control abilities of the PET.
Keywords
Power electronic transformer Medium-frequency isolation Voltage-disturbance ride through Power quality Stability1 Introduction
A distribution transformer is the most important and common equipment in a power distribution network, which is responsible for voltage transformation and voltage isolation. A traditional distribution transformer is very reliable; however, it is bulky and cumbersome. The harmonics between the primary and secondary sides cannot be isolated, and extra equipment is needed to monitor and protect for possible breakdown issues. Nowadays, these drawbacks are real concerns in academia and the industry. Therefore, power-electronics-based transformers called power electronic transformers, intelligent universal transformers, solid-state transformers, smart transformers, energy routers, and others have gradually become an emerging topic over the last 10 years, especially for aerospace, railway traction, smart grid, and Energy Internet applications [1, 2, 3, 4, 5, 6, 7, 8]. Their initial use may be in special applications where cost and efficiency are secondary to the size and weight [1].
Recent advances in solid-state semiconductors, passive component materials, and microelectronics technologies coupled with the growing need for high power density, low footprint space, and reduced weight without compromising the efficiency, cost, and reliability have provided the impetus for aircraft 115 VAC/400 Hz (or 360–800 Hz) high-frequency-link power-conversion systems as well as telecommunication power supply applications. Similar work has been carried out for traction applications by ABB, Alstom, Bombardier, and Siemens. A pilot installation was completed by ABB in mid-2011, and the Swiss Federal Office for Transport (FOT) homologated it by the end of the year [6].
Moreover, partly because the existing 50/60 Hz power system is more complicated than the 16.67 Hz traction electric system, scientists and engineers working on projects including the Advanced Power Converters for Universal and Flexible Power Management in Future Electricity Networks (UNIFLEX-PM), the Future Renewable Electric Energy Delivery and Management (FREEDM), MEGA Cube, and the Highly Efficient And Reliable smart Transformer (HEART), a new Heart for the Electric Distribution System as well as other projects led by leading universities and companies are still continuously investigating various issues related to PETs for the smart grid and Energy Internet. These issues include the modularity, efficiency, stability, reliability, cost, DC connectivity, active/passive component selection, modulation and control, power flow, and power quality [9, 10, 11, 12, 13, 14, 15, 16, 17]. The key characteristics of SST systems designed for smart-grid applications are demonstrated in [10, 11]. The overall efficiency of these systems ranges from 84% to 88%. Systematic optimization of the key medium-frequency transformer for different optimization targets is presented in [12]. Reference [13] prefers soft-switching dual active-bridge DC/DC isolation to cycloconverter AC/AC isolation with a lower efficiency in a symmetrical topology. SiC devices are adopted in [14] for a high-frequency-link AC solid-state transformer. The advanced components allow it to achieve a maximum efficiency of 96.0%. The series resonant converter (SRC) operated in the half-cycle discontinuous conduction mode (HC-DCM) is a highly attractive choice for an isolated DC/DC converter because of its high efficiency; however, control is not possible, and the system basically acts as a “DC transformer” [15]. The unbalanced-load correction capability of two H-bridge-based three-phase three-stage modular PET topologies, the separate phase connection (SPC), and the cross-phase connection (CPC) are analyzed and compared. It is found that the SPC is suitable for dealing with a full range of unbalanced loads under the condition where the input-stage current stress increases. Nonlinear and intelligent controllers such as an internal model controller, a sliding mode controller, and a neurofuzzy controller are adopted in [18, 19, 20] to improve PET performance.
The keynote presentation in [17] points out that an SST is not a 1:1 replacement for a conventional distribution transformer, and it will not replace all conventional distribution transformers (even in the midterm). An SST offers high functionality but has several weaknesses and limitations. Further, this presentation summarizes 10 key existing SST realization/application challenges, which cover most scenarios that the scientists and engineers have been working on in recent years.
It is known that many grid codes have been released to regulate the power quality and integrate new energy systems within the distributed grid [21]. However, there are few reports on grid codes for PETs. A design criterion for an SST under no-load conditions has been proposed in order to avoid instabilities using an impedance-based analysis, but only analytical and simulation results were provided [22]. The main purpose of this paper is to discuss the key issues of the voltage-disturbance ride-through operation of the Gen-I PET project for distribution power systems, entitled “a flexible power distribution unit for a future distribution system,” which has been completed by our group.
First, a novel PET structure for the Gen-I PET project is proposed and briefly described. Then, some key control strategies for the PET are proposed and explained in detail, especially under voltage-disturbance conditions. Moreover, an impedance-based stability analysis is also presented and verified. The hardware design and implementation considerations are also presented. Finally, the PET prototype is tested, and it passes the voltage-disturbance ride-through function.
2 Structure and specifications of PET
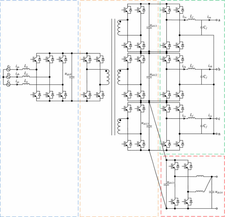
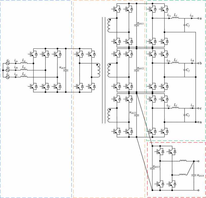
Power electronic transformer for distribution system
Control diagram of front-end three-phase PWM rectifier
A fixed switching frequency open-loop control method is adopted for the multi-winding medium-frequency isolated DC/DC converter. It is referred to as a DC transformer and provides an unregulated output voltage. By reducing the regulation requirements and narrowing the input voltage ranges, the DC transformer can achieve a higher efficiency and greater power output than the standard regulated transformer, even if the filter choke is eliminated.
Three-phase inverters are made up of three identical modular single-phase full-bridge H4 inverters, which have an excellent inner unbalanced-load correction capability, or other extra control methods should be added to the three-phase inverter [23]. The AC output voltage is regulated with double-loop controllers, where the outer loop is set to regulate the RMS value of the voltage, while the inner loop regulates the instantaneous value of the voltage. In addition, a bipolar SPWM control strategy helps to support the reactive power.
Moreover, another interleaved Buck converter with the same half-bridge branch as that of the single-phase inverters is embedded in the 350 VDC bus terminal udcL3, which provides a 110 VDC bus for local DC load usage. It is regulated by an instantaneous-voltage outer loop and instantaneous-inductor-current inner loop. Then, the PET simultaneously provides an AC and DC hybrid distributed grid.
- 1)
Input stage: the rated line voltage is 600 VAC, the rated line frequency is 50 Hz, the input inductance is 1.5 mH, the high-voltage DC link capacitors have a capacitance of 2160 μF, a switching frequency of 4.8 kHz is selected considering the thermal issues for the adopted device having a voltage rating of 1700 V, and the semiconductor switches are SKM400GB176D switches.
- 2)
Isolation stage: the switching frequency is 2 kHz, the primary–secondary ratio of the transformer is 3:1:1:1, the low-voltage DC link capacitors have a capacitance of 3000 μF, the primary semiconductor switches are SKM400GB176D switches, and the secondary switches are SKM300GB128D switches. A middle frequency of 2 kHz is selected rather than a higher frequency because the Gen-I PET project is developed for the next-generation 10 kV PET in preparation for high-voltage IGBT tests at 3300 V and 6500 V in the near future.
- 3)
Output stage: the output filter inductance is 0.4 mH, the output filter capacitors have a capacitance of 50 μF, the switching frequency is 10 kHz, and all switches are SKM300GB128D switches.
In Fig. 1, the proposed PET topology has an inner high-voltage (u dc = 1050 VDC) bus and a low-voltage (udcL1,2,3 = 350 VDC) bus (a u dc voltage command could be set by operators, e.g., u dc = 1200 VDC). Thus, voltage and load-disturbance isolation would be possible with the help of DC link buffer capacitors. Further efforts should focus on the key control strategies, especially the front-end rectifier.
3 Key strategies for PET for voltage-disturbance ride through
For a PET operated with a grid voltage disturbance, observability and controllability are essential. The accurate and fast detection of the frequency and phase angle of the grid voltage is essential to ensure the correct generation of reference signals and to cope with the utility codes, especially for those operated under common utility distortions such as harmonics, voltage sags, frequency variations, and phase jumps [21]. The dynamic change in the grid voltage should be considered for fast control concerns. Therefore, two key strategies for the PET have been investigated and are separately presented in this section, including the phase-locked loop (PLL) design methods, control principles, and small-signal model of the three-phase PWM rectifier. The stability issues related to the grid-connected three-phase PET are also discussed.
3.1 Phase-locked loop design
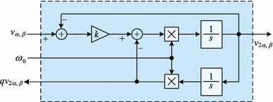
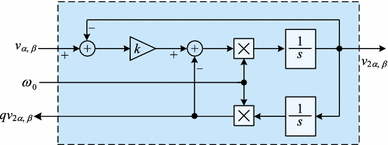
General structure of three-phase PLL
SOGI method for constructing orthogonal component
Equation (4) indicates that no matter how ω0, ω and k change, \(v_{\alpha ,\beta }\) and \(v_{2\alpha ,\beta }\) have a precise 90° phase difference.
In addition, the PLL output frequency is fed back to the SOGI part, as shown in Figs. 3 and 4. Equations (1) and (2) indicate that no matter how ω0 changes, the bandwidth of the filter is only determined by the given coefficient k. Therefore, it is an adaptive PLL that is theoretically not affected by the variation in the line frequency.
Simulation results for SOGI-SPLL under conditions with three-phase voltage imbalance
Simulation results for SOGI-SPLL under conditions with input voltage drop
Simulation results for SOGI-SPLL with harmonic voltage input
Simulation results for SOGI-SPLL with grid-frequency fluctuations
3.2 Control principles and small-signal model of three-phase PWM rectifier
Small-signal control block of PWM rectifier (Hv1(s) and Hc1(s) are the corresponding PI controllers shown in Fig. 2)
3.3 Stability issues of grid-connected three-phase PET
Impedance model of PET system
Unstable system simulations (with a line inductance of 8 mH)
Stable system simulations (with a line inductance of 1.5 mH)
4 Hardware design and implementation considerations
4.1 Active half-bridge standard module design
Figure 1 shows that the active half-bridge single-phase standard module can be quickly and easily configured to address a wide range of applications such as AC–DC, DC–DC, or DC–AC converters to provide a platform for the rapid development of multiphase high-power converters and systems and to provide the ability to rapidly develop new AC–AC PET systems.
Typical 62 mm package IGBT modules and core PWM gate driver boards from SEMIKRON, Ltd. are adopted. Cycle-by-cycle protection functions are embedded in the driver. Fiber-optic cables are used for reliable isolated drive design. In addition, the auxiliary power interface, control interface, and power interface are connected through hardwired terminals, and some forced-air-cooling heat sinks and laminated bus bars need slight modifications due to mechanical and structural issues.
4.2 Digital control platform design
Control platform layers
4.3 Passive component design
DC power storage and a filter are needed in the input of the isolation stage. Capacitors with a large capacitance are usually used. The capacitors mainly have two functions. One is to filter the DC voltage ripple caused by high-frequency switching. The other is to maintain the DC voltage fluctuation inside the qualified range within the inertial delay time of the transformer when the loads change.
In the output of the isolation part, the DC voltage of each phase is 350 V. With (34), the minimum capacitance can be calculated as 857 μF. Six 700 V/500 μF film capacitors in parallel are chosen.
5 Experimental verification
In order to verify the key control strategies of the PET under voltage-disturbance conditions, another PWM inverter that is the same as the front-end converter of the PET operates as a disturbance-voltage source to emulate the grid in the field. Owing to the limited loads, the maximum power is achieved at 30 kW, and the rated system power is 100 kW.
5.1 Steady-state performance tests
Experimental waveforms
5.2 Voltage-disturbance ride-through tests
Voltage-disturbance ride through of the PET with a three-phase 60% balance voltage sag and phase jump
Voltage-disturbance ride through of the PET with a three-phase 60% balance voltage sag, a frequency variation of 50/40 Hz, and a phase jump
High-voltage DC bus variation during voltage-disturbance ride through
5.3 Grid-connected instability tests
Unstable waveforms
6 Conclusion
A novel PET for a distribution grid called a flexible power distribution unit is proposed in this paper. DC/DC isolation for the three-phase inverters is implemented through one compact multiwinding transformer, which reduces the system complexity.
Focusing on the grid code issues of the PET, such as the voltage-disturbance ride through and harmonic resonance, which have not been previously encountered, this manuscript presents the key PLL design methods under distorted grid conditions, the control principles, a small-signal model, and the input admittance of the three-phase PWM rectifier in detail. This helps understand the harmonic resonance in power-electronics-based power systems using a PET.
Although the cost, volume, and weight of the PET are presently much higher than those of conventional power transformers, the future of the PET is still promising, as it can play many different but important roles in future smart grid and Energy Internet applications.
Notes
Acknowledgements
This work was supported in part by the National Basic Research Program of China (No. 2016YFB0900404), the National Natural Science Foundation of China (No. 51477030, No. 51207023), the Cooperative Innovation Fund of Jiangsu Province–the Prospective and Joint Research Project (No. BY2015070-18), the Basic and Prospective Science and Technology Project of State Grid Corporation of China (No. PD71-17-024), and the Fundamental Research Funds for the Central Universities (No. 2242017K40159).
References
- [1]McMurray W (1971) The thyristor electronic transformer: a power converter using a high-frequency link. IEEE Trans Ind Gen Appl 7(4):451–457CrossRefGoogle Scholar
- [2]MIT (2011) Emerging technologies breakthroughs that are bursting into our lives. Technol Rev 44–45Google Scholar
- [3]Lai JS, Maitra A, Mansoor A et al (2005) Multilevel intelligent universal transformer for medium voltage applications. In: Proceeding of the IEEE IAS, Kowloon, Hong Kong, 2–6 Oct 2005, 7 ppGoogle Scholar
- [4]Huang A, Crow ML, Heydt GT et al (2011) The future renewable electric energy delivery and management (FREEDM) system: the energy internet. Proc IEEE 99(1):133–148CrossRefGoogle Scholar
- [5]Quartarone G, Liserre M, Fuchs F et al (2014) Impact of the modularity on the efficiency of smart transformer solutions. In: Proceeding of the IEEE IECON, Dallas, USA, 29 Oct–1 Nov, 7 ppGoogle Scholar
- [6]Claessens M, Dujic D, Canales F et al (2012) Traction transformation—a power-electronic traction transformer (PETT). ABB Rev 1(12):11–17Google Scholar
- [7]Iov F, Blabjerg F, Clare J et al (2009) UNIFLEX-PM-A key-enabling technology for future European electricity networks. EPE J 19(4):6–16CrossRefGoogle Scholar
- [8]Zhao J (2003) Simulation study of a power electronic transformer with constant output voltage. Autom Electr Power Syst 27(18):30–34Google Scholar
- [9]Briz F, Lopez M, Rodriguez A et al (2016) Modular power electronic transformers: modular multilevel converter versus cascaded H-bridgesolutions. IEEE Ind Electron Mag 10(4):1–19CrossRefGoogle Scholar
- [10]Wang D, Tian J, Mao C et al (2016) A 10-kv/400-v 500-kva electronic power transformer. IEEE Trans Ind Electron 63(11):6653–6663CrossRefGoogle Scholar
- [11]She X, Yu X, Wang F et al (2014) Design and demonstration of a 3.6-kV–120-V/10-kVA solid-state transformer for smart grid application. IEEE Trans Power Electron 29(8):3982–3996CrossRefGoogle Scholar
- [12]Drofenik U (2012) A 150 kW medium frequency transformer optimized for maximum power density. In: Proceeding of the IEEE CIPS, Nuremberg, Germany, 6–8 March 2012, 6 ppGoogle Scholar
- [13]Siemaszko D, Zurkinden F, Fleischli L et al (2009) Description and efficiency comparison of two 25 kVA DC/AC isolation modules. EPE J 19(4):17–24CrossRefGoogle Scholar
- [14]Zhao B, Song Q, Liu W (2015) A practical solution of high-frequency-link bidirectional solid state transformer based on advanced components in hybrid micro-grid. IEEE Trans Ind Electron 62(7):4587–4597CrossRefGoogle Scholar
- [15]Huber J, Kolar JW (2015) Analysis and design of fixed voltage transfer ratio DC/DC converter cells for phase-modular solid-state transformers. In: Proceedings of the IEEE ECCE USA, Montreal, Canada, 20–24 Sept 2015, 9 ppGoogle Scholar
- [16]Wang X, Liu J, Ouyang S et al (2015) Research on unbalanced-load correction capability of two power electronic transformer topologies. IEEE Trans Power Electron 30(6):3044–3056CrossRefGoogle Scholar
- [17]Kolar JW, Huber J, Guillod T et al (2015) Research challenges and future perspectives of solid-state transformers. In: Proceedings of the 5th international conference on power engineering, energy and electrical drives (POWERENG 2015), Riga, Latvia, 11–13 May 2015Google Scholar
- [18]Hooshmand R, Ataei M, Rezaei M (2012) Improving the dynamic performance of distribution electronic power transformers using sliding mode control. J Power Electron 12(1):145–156CrossRefGoogle Scholar
- [19]Acikgoz H, Kececioglu O, Yildiz C et al (2016) Performance analysis of electronic power transformer based on neuro-fuzzy controller. SpringerPlus 5:1350CrossRefGoogle Scholar
- [20]Li Y, Han J, Cao Y et al (2017) A modular multilevel converter type solid state transformer with internal model control method. Int J Electr Power Energy Syst 85:153–163CrossRefGoogle Scholar
- [21]Teodorescu R, Liserre M, Rodriguez P (2011) Grid converters for photovoltaic and wind power systems. Wiley, New YorkCrossRefGoogle Scholar
- [22]Shah DG, Crow ML (2014) Stability design criteria for distribution systems with solid-state transformers. IEEE Trans Power Deliv 29(6):2588–2595CrossRefGoogle Scholar
- [23]Shi H, Zhuo F, Hao Yi et al (2016) Control strategy for microgrid under three-phase unbalance condition. J Mod Power Syst Clean Energy 4(1):94–102CrossRefGoogle Scholar
- [24]Sudhoff SD, Glover SF, Lamm PT et al (2000) Admittance space stability analysis of power electronic systems. IEEE Trans Aerosp Electron Syst 36(3):965–973CrossRefGoogle Scholar
- [25]Chen Z, Chen Y, Guerrero JM et al (2016) Generalized coupling resonance modeling, analysis, and active damping of multi-parallel inverters in microgrid operating in grid-connected mode. J Mod Power Syst Clean Energy 4(1):63–75CrossRefGoogle Scholar
- [26]Wang J, Ji B, Lu X et al (2014) Steady-state and dynamic input current low frequency ripple evaluation and reduction in two-stage single phase inverters with back current gain model. Trans Power Electron 29(8):4247–4260CrossRefGoogle Scholar
Copyright information
Open AccessThis article is distributed under the terms of the Creative Commons Attribution 4.0 International License (http://creativecommons.org/licenses/by/4.0/), which permits unrestricted use, distribution, and reproduction in any medium, provided you give appropriate credit to the original author(s) and the source, provide a link to the Creative Commons license, and indicate if changes were made.

















