The Boudouard–Bell reaction analysis under high pressure conditions
- 1.5k Downloads
- 10 Citations
Abstract
A new method for the measurement of solid fuel reactivity towards carbon dioxide has been developed. This new method takes into account high-pressure and temperature effects. Three devolatilized carbonaceous materials have been used in experiments: chars derived from lignite, bituminous coal and blast furnace coke. Processes were carried out at temperatures of 800, 850 and 900 °C and pressures of 1.52, 2.5 and 3.4 MPa. Analysis of the product gas composition was carried out with the maximum degree of conversion of CO2 (αm) proposed as a representative reactivity parameter. Arrhenius and Eyring relationships have been analyzed, and values of the activation energy and activation volume have been calculated.
Keywords
Boudouard–Bell reaction CO2 Gasification reactivity Kinetics Temperature PressureList of symbols
- α
Conversion degree of CO2, \( 0 < \alpha < 1 \)
- αm
Maximum obtained conversion degree of CO2 during process, \( 0 < \alpha_{\text{m}} \le 1 \)
- αs
Conversion degree of solid phase of fuel, \( 0 \le \alpha_{\text{s}} \le 1 \)
- A, A1, A2
Pre-exponential factor in Arrhenius equation, s−1 or dimensionless
- b1, b2, b3
Constants in L–H Eq. 8 related with kinetic constants
- B, B1, B2
- C0
- C, C1, C2
Constants
- [CO2], [CO]
Molar fractions of CO2 and CO, respectively, 0 ≤ [CO2] ≤ 1, 0 ≤ [CO] ≤ 1,
- [CO]m
Maximum obtained molar fraction of CO, 0 < [CO] ≤ 1
- DFE
Distance from thermodynamic equilibrium, dimensionless
- E
Activation energy, J mol−1
- k
Rate coefficient, s−1, indexed constants corresponds with adequate equations
- kg
Rate coefficient acc. to [23]
- K
Equilibrium constant, calculated acc. to Eq. 34, dimensionless
- Kα
Approximated equilibrium constant, defined with (32), dimensionless
- m
Mass of sample, g
- m0
Initial mass of sample, g
- \( \dot{m} \)
Mass flow of CO2 in ambient temperature, g s−1,
- η
Thermodynamic yield of process/reaction, 0 ≤ η ≤ 1
- Δν
Sum of stoichiometric coefficients of gaseous reactants
- P
Pressure of CO2, MPa
- PΘ
Standard pressure ~0.1 MPa
- R
8.314 J mol−1K−1, gas constant
- \( \dot{R} \)
Solid phase conversion rate, defined acc. to (5), s−1
- r2
Determination coefficient, 0 ≤ r 2 ≤ 1
- T0
Ambient temperature, K
- T
Reaction/process temperature, K
- V
Volume of particular reactant, cm3 mol−1
- \( \dot{V} \)
Volumetric flow of CO2 in ambient temperature, cm3 s−1,
- Δ+V
Volume of activation, cm3 mol−1
- τ
Time, s
- τm
Time to obtain maximum conversion of CO2, s,
- τ0
Initial time in Eq. 12, h
- τz
Equivalent time, s
Subscripts
- s, g
Represents solid and gaseous phase, respectively
- eq
Equilibrium state
Introduction
Reaction (1) has seen many elaborations of its multi-subject aspects. In practice, a high carboxy reactivity results in undesirable characteristics of coke. This is because, when used in the blast furnace process and in the manufacturing of coal-graphite products, fuel consumption increases, its mechanical strength deteriorates, and the temperature of the process is reduced (the so-called “cooling down”). This detrimental effect (the excessively high carboxy reactivity) is also known and described in the processes of the industrial combustion of solid fuels, especially for coal. The reaction capacity of solid fuels dictates the possibility and method of their utilization. It is obvious that the low reactivity of blast furnaces and foundry cokes is desirable, while a higher reactivity of the fuel supplied to the gasification systems is preferred.
- (1)
the production of hydrogen in a homogenous Water–Gas Shift reaction:
- (2)
the synthesis of liquid motor fuels by the Fischer–Tropsch process, both to produce gasoline and diesel oil as well as other chemical compounds and products like aldehydes and oxo alkohols obtained via hydroformylation;
- (3)
the synthesis of methanol (1 mol CO + 2.2 mol H2 + addition of CO2);
- (4)
the synthesis of dimethyl ether;
- (5)
the synthesis of acetic acid;
- (6)
the production of the chemical warfare agent phosgene with chlorine participation, which is forbidden but necessary to produce polyurethane foams;
- (7)
the production of sodium formate by means of reaction with sodium hydroxide;
- (8)
the production of the PHB (poly-3-hydroxybutyrate) biopolymer for use in the production of biodegradable packaging.
Furthermore, carbon monoxide is used in the environmentally important catalytic processes of the reduction of nitrogen oxide according to the reaction: NO + CO = 1/2 N2 + CO2 [9].
The kinetics of the Boudouard–Bell reaction/process
- (1)
thermodynamic parameters (T, P, V);
- (2)
the quality of the carbon carrier that is dependent upon what fuel is used, which may include biomass (including waste), coal that has undergone either low or high levels of metamorphosis, chars, cokes and graphite only for cognitive purposes, as well as on the presence of mineral substances; and.
- (3)
the means of the solid sample preparation (particle size reduction, porosity) and the type of process employed (stationary process, once-through process, fluidized process).
As a result, many kinetic equations for the reaction in question have been proposed; herein, only the most popular are presented. They can be grouped according to the presence of the solid phase, gas phase or of both phases. It is known that the factor hampering an explicit quantification of the reaction kinetics is a complex of carbon (C) with the product (CO), written in the mechanism reaction Eqs. 3 and 4 as CsO.
Solid phase analysis
Gaseous phase analysis
The Genevan method, based upon the work of Dahme and Junkers [22], is one of the most widespread methods for testing and determining the reactivity of cokes and chars against CO2, and it uses differential equations of the reaction kinetics involved in changes to the coke surface area. The Genevan method determines the reaction rate constant based upon the analysis of CO2 (CO) content in the product gas from the gasification of coke and chars by means of CO2 at a temperature of 1,000 °C.
Gaseous and solid phase conversion analysis
Materials and methods
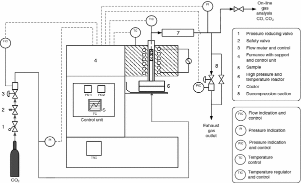
Scheme of the research stand for testing the reactivity of carbon-containing materials towards CO2 under elevated pressure
Carbon dioxide is supplied from the bottle through a reduction valve (1) at the established flowrate, set by means of the controller (3), to the pressure pipe reactor (6) placed vertically in an electric oven (4). In the initial zone of the reactor (6), filled in with the ceramic balls to increase thermal capacity of the system, carbon dioxide is heated up to the required temperature. Afterwards it is transferred to the reaction zone where the cylinder barrel (5) is placed. The cylinder contains an precisely weighed sample of the char. The product gas leaving reactor flows through the pipe cooler (7), where the gases are cooled down, and then flows through the pressure regulation system (3), which also constitutes the pressure expansion system. After the cooling down process and pressure expansion, the product gas is directed to the on–line connected gas analyzer that measures concentrations of CO, CO2 and O2 (S-700 of the SICK company). Process data (temperature, pressure, composition of the product gases) are gathered in a data acquisition system with the possibility for export into an Excel spreadsheet.
-
procurement of the char of the tested coal in accordance with the procedure accepted in IChPW that comprises a temperature program and corresponds to the flow rates of the inert gas during pyrolysis;
-
pumping of carbon dioxide at an increased flowrate (in relation to the rate applied during process) through the cold sample bed to evacuate the air until the oxygen concentration drops below 1%;
-
setting of the established CO2 flow and pressure during measurement (of the reactivity) and switching on the oven to reach the assumed test conditions; and.
-
observation of concentration changes of CO and CO2 after the final, assumed test temperature is reached until the readings of the analyzer stabilize on one level (with a deviation of up to ±3%), approximately 30–45 min after the temperature of the test has been reached.
Proximate analysis of the carbonaceous materials used
| Parameter | Sample (coals were classified by rank) | ||||
|---|---|---|---|---|---|
| Lignite B | LigB char | hvCb coal | hvCb coal char | Coke | |
| Moisture, air dried basis/% | 9.0 | 1.0 | 4.3 | 1.2 | 0.9 |
| Ash, dry basis/% | 27.9 | 42.4 | 8.9 | 13.8 | 9.2 |
| Volatile matter, dry and ash free basis/% | 60.8 | 2.5 | 38.7 | 1.3 | 1.3 |
-
6 g sample mass was used in every test run,
-
the CO2 mass flow was set to 22 g h−1,
-
the particle size of the chars and coke samples ranged from 1 to 3.15 mm,
-
the CO2 pressure employed was 1.52, 2.50 and 3.40 MPa and
-
the temperatures were 800, 850 and 900 °C.
Results and discussion
Kinetic models (5), (6), (11) and (13) have been presented in typical categories, i.e., according to the level of changes of the solid phase (αs) or of CO2 (α) or share of the gas phase constituents ([CO], [CO2]) with time. The research presented was intended for another objective because the authors were interested in the influence of pressure on the gasification process by means of CO2. The installation in which the research was conducted allows only for analysis of the gaseous phase without the possibility to register mass reduction of the solid phase.
For consideration of the reaction in question, Eq. 11 and 13 were used. Taking into account Eq. 11, it was assumed that the maximum amount of carbon monoxide [CO] = [CO]m ≤ 1 can be produced. This corresponds to a maximum level of conversion αm.
Changes of CO content in the product gas during CO2 gasification of coke at different temperatures for pressures of 1.52 (a), 2.5 (b) and 3.4 MPa (c)
- (a)
there may be no effect from pressure, αm= idem;
- (b)
there may be a positive effect of pressure, αm↑ when P↑;
- (c)
there may be a negative effect of pressure, consistent with thermodynamics, αm↓ when P↑; or.
- (d)
there may be a combined effect, typical for (a) to (c).
Values of calculated reactivity parameters for studied samples
| Sample | LigB char | hvCb char | Coke | ||||||
|---|---|---|---|---|---|---|---|---|---|
| Pressure/MPa | 800 °C | 850 °C | 900 °C | 800 °C | 850 °C | 900 °C | 800 °C | 850 °C | 900 °C |
| Maximum fractional conversion of CO2, αm | |||||||||
| 1.52 | 0.151 | 0.249 | 0.354 | 0.01 | 0.019 | 0.075 | 0.019 | 0.035 | 0.091 |
| 2.5 | 0.112 | 0.234 | 0.393 | 0.01 | 0.026 | 0.068 | 0.016 | 0.035 | 0.063 |
| 3.4 | 0.153 | 0.239 | 0.359 | 0.01 | 0.024 | 0.075 | 0.015 | 0.036 | 0.060 |
| Thermodynamic yield, η | |||||||||
| 1.52 | 0.472 | 0.541 | 0.580 | 0.031 | 0.040 | 0.121 | 0.059 | 0.074 | 0.147 |
| 2.5 | 0.431 | 0.616 | 0.756 | 0.038 | 0.068 | 0.131 | 0.062 | 0.092 | 0.121 |
| 3.4 | 0.665 | 0.703 | 0.764 | 0.045 | 0.073 | 0.163 | 0.065 | 0.106 | 0.128 |
| Distance from thermodynamic equilibrium, DFE | |||||||||
| 1.52 | 0.528 | 0.459 | 0.420 | 0.969 | 0.960 | 0.879 | 0.941 | 0.926 | 0.853 |
| 2.5 | 0.569 | 0.384 | 0.244 | 0.962 | 0.932 | 0.869 | 0.938 | 0.908 | 0.879 |
| 3.4 | 0.335 | 0.297 | 0.236 | 0.955 | 0.927 | 0.837 | 0.935 | 0.894 | 0.872 |
- for constant K x expressed by the level of CO2 conversion [33]:$$ K_{\alpha} = \frac{{4\alpha_{\text{eq}}^{2} }}{{1 - \alpha_{\text{eq}}^{2} }} $$(33)
- for the thermodynamic constant K (from tables of Barin [34]), the following dependence was developed:and substituting (31) and (32) to Eq. 30 one can obtain:$$ K = \exp \left( {\frac{ - 20780,9}{T}\;+ 20,32} \right) = \exp \left( L \right), 2 9 8, 1 5\le T \le 1 400{\text{ K}} $$(34)$$ \alpha_{\text{eq}} = \left( {\frac{\exp \left( L \right)}{{4\left( {\frac{P}{{P^{\Uptheta } }}} \right) + \exp \left( L \right)}}} \right)^{1/2} $$
a, c, e Arrhenius relation (22) parameters determined for experiments performed at pressures of 1.52, 2.5 and 3.3 MPa for LigB char, hvCb char and coke, respectively; b, d, f Eyring model (29) fit to experimental data obtained at temperatures of 800, 850 and 900 °C for LigB char, hvCb char and coke
Calculated activation energies of the CO2 gasification of samples under applied pressure conditions
| P/MPa | hvCb char | LigB char | Coke |
|---|---|---|---|
| E/kJ mol−1 | |||
| 1.52 | 208.9 | 89.0 | 165.8 |
| 2.5 | 198.8 | 131.7 | 147.2 |
| 3.4 | 209.2 | 88.9 | 143.3 |
Calculated volume of activation of the CO2 gasification of studied samples at given temperature
| Temperature/°C | hvCb char | LigB char | Coke |
|---|---|---|---|
| Δ+ V/cm3 mol−1 | |||
| 800 | 0 | Estimation insufficient | 1061.9 |
| 850 | −1538.7 | 227.5 | −258.9 |
| 900 | 33.7 | −113.6 | 247.1 |
Moreover, the functions with comparably high slope coefficients as observed in Fig. 2b, d and f it should be distinguished. This is the case for the sample of hvcb char gasified at 850 °C (a positive effect of pressure) and coke gasified in temperatures of 800 and 900 °C (a negative effect of pressure and consistent with thermodynamics). For other samples and employed process parameters, the pressure has no or very small influence on the fractional conversion of carbon dioxide.
Overall observations
In the experimental conditions for the reaction (1) and for the established state parameters, i.e., temperatures of 800-900 °C and pressure elevated to 3.4 MPa a measure of the reactivity of the fuels is the maximum level of CO2 conversion (according to Eq. 7 ). For comparison, in the established conditions of T and P, to evaluate this reactivity, an application of a thermodynamic yield of reaction/process (30) (or in different version (31)) was proposed.
The reference points are formulae (33) and (34), which derive from the progressing of the Boudouard’s reaction (1) in the equilibrium conditions for the hexagonal form of graphite. The range of the thermodynamic reaction/process rates that was obtained comprised a large range of values. In each case, the increase in the reaction rate with the rise in temperature was observed. As in majority of cases, the increase of the rate with the increase of pressure was observed, which is extremely interesting from a thermodynamic point of view. As one might expect, according to the applied scale of reactivity (in the established thermodynamic conditions), higher reactivity of the lignite chars as compared to bituminous coal chars was confirmed.
As a result, one can generate the slopes for the linear latent functions, often with very low linear coefficients of determination [38].
From Eq. 23, one can determine the activation energy, and the values obtained are in compliance with the literature data [16, 24, 27, 35].
Analysis of Eq. 29 shows that the thermodynamically conformable behaviour occurs only for highly outgassed coke (that is more comparable to graphite than chars) at temperatures of 800 and 900 °C. For a majority of processes performed the very low values of the slope in Eyring plot indicate that pressure has no influence on the conversion of carbon dioxide due to the Boudouard reaction when slightly devolatilized materials are used. Calculated values of Δ+ V turned out to be inconsistent, and either increasing or decreasing of αm with increasing pressure was observed. Assuming that maximum conversion degree of carbon dioxide, αm is a kinetically defined variable, in some questionable cases only the absolute value of ΔV is more appropriate. Very large differences in the values reported in literature indicate that further studies on this phenomenon should be conducted. Very high values of activation volume were estimated, in contrast to the values given in [36, 37], representing the effect of an unisolated and open reaction system where the heterogeneous gasification reaction of carbonaceous fuel with gaseous CO2 (under the applied temperature and pressure conditions) occurs.
Conclusions
- 1.
Pressure is a very important factor in the technological processing of solid fuels because of the very different and variable characteristics of the solid carriers of carbon. Very often, a positive impact (of pressure) on gasification process was observed, according to relation (29). When the maximum level of conversion of CO2 (α m) increases with the pressure, it implies that ∆+V < 0, i.e., that the volume of the active complex is lower than that of the gaseous substrate, and the beneficial effect of reducing the system volume takes place: V(CO2) > V(CsO).
- 2.
In accordance with the above-described observations, Eqs. 23 and 29 have been proposed as tests for the determination of reactivity against CO2 for all carbonized solid fuels. Eqs. 30 and 31, on the other hand, describe relations of maximum to equilibrium level of reacting out of CO2 in the applied temperature and pressure conditions for the hexagonal graphite. These data determine the capacity of reaction of the real samples and exhibit the distinct features of the industrial solid fuels in relation to the reference fuel sample, graphite.
- 3.
Further research on solid fuels reactivity is necessary to determine the universality of the rate constants k 1, k −1 i k 2 in the Langmuir–Hinshelwood equation in thermal-pressure conditions for the test matrix [T × P], which, because of multiple expressions of the L–H relation, can be regarded as a preliminary proposal for the search for relations proportional to k 1, k −1 i k 2 or to their combination. One can assume that the easily determined α m is a representative quantity in relation to (previously) established kinetic constants.
Notes
Acknowledgements
This study was partly performed within a framework of the Strategic Programme: “Advanced Technologies for Energy Generation: Development of Coal Gasification Technology for High-Efficient Fuels Production and Energy Generation” part of Research Task No. 2.2.1: “Coal Gasification Kinetics with CO2 Utilization in This Process” funded from National Centre for Research and Development.
Open Access
This article is distributed under the terms of the Creative Commons Attribution License which permits any use, distribution, and reproduction in any medium, provided the original author(s) and the source are credited.
References
- 1.Zawidzki J. O postępach chemii nieorganicznej w r.1901, Chemik Polski. 1902;21:488 (In Polish).Google Scholar
- 2.Boudouard O. Sur la decomposition de l`oxyde de carbone en presence des oxydesmetalliques. C R Acad Sci. 1899;128:1522–5.Google Scholar
- 3.Eide LI, Bailey DW. Precombustion decarbonisation processes. Oil Gas Sci Technol. 2005;60:475–84.CrossRefGoogle Scholar
- 4.Steynberg AP, Nel HG. Clean coal conversion options using Fischer–Tropsch technology. Fuel. 2004;83:765–70.CrossRefGoogle Scholar
- 5.Skrzypek J, Słoczynski J, Ledakowicz S. Methanol synthesis, science and engineering. Warsaw: Polish Scientific Publishers; 1994.Google Scholar
- 6.Xia JC, Mao DS, Chen QL, Tang Y. One step synthesis of dimethyl ether from syngas with Fe-modified zeolite ZSM-5 as dehydration catalyst. Catal Lett. 2004;98:235–40.CrossRefGoogle Scholar
- 7.George C. Carbon monoxide. In: Kirk-Othmer, editor. Encyclopedia of Chemical Technology. New York: Wiley; 2001.Google Scholar
- 8.Wölfle H, Kopacka H, Wurst K, Preishuber-Pflügl P, Bildstein B. On the way to biodegradable poly(hydroxybutyrate) from propylene oxide and carbon monoxide via β-butyrolactone: multisite catalysis with newly designed chiral indole-imino chromium(III) complexes. J Organomet Chem. 2009;694:2493–512.CrossRefGoogle Scholar
- 9.Jiang X, Huang H, Li H, Zheng X. Catalytic properties of CuO/Ce0.2Ti0.8O2 and CuO/Ce0.5Ti0.5O2 in the NO + CO reaction. Energy Fuels. 2010;24:261–6.CrossRefGoogle Scholar
- 10.Kovacik G, Chambers A, Ozum B. CO2 gasification of two Alberta coal chars. Can J Chem Eng. 1991;69:811–5.CrossRefGoogle Scholar
- 11.Hodge EM, Roberts DG, Harris DJ, Stubington JF. The significance of char morphology on the analysis of high-temperature char-CO2 gasification rates. Energy Fuels. 2010;24:100–7.CrossRefGoogle Scholar
- 12.Murillo R, Navarro MV, Lopez JM, Aylon E, Callen MS, Garcia T, Mastral AM. Kinetic model comparison for waste tire char reaction with CO2. Ind Eng Chem Res. 2004;43:7786–7786.CrossRefGoogle Scholar
- 13.Kodama T, Funatoh A, Shimizu K, Kitayama Y. Kinetics of metal oxide-catalyzed CO2 gasification of coal in a fluidized-bed reactor for solar thermochemical process. Energy Fuels. 2001;15:1200–6.CrossRefGoogle Scholar
- 14.Fermoso J, Stevanov C, Moghtaderi B, Arias B, Pevida C, Plaza MG, Rubiera F, Pis JJ. High-pressure gasification reactivity of biomass chars produced at different temperatures. J Anal Appl Pyrolysis. 2009;85:287–93.CrossRefGoogle Scholar
- 15.Molina A, Mendragon F. Reactivity of coal gasification with steam and CO2. Fuel. 1998;77:1831–9.CrossRefGoogle Scholar
- 16.Khalil R, Varnegyi G, Jaschke S, Gronli MG, Hustad J. CO2 gasification of biomass chars: a kinetic study. Energy Fuels. 2009;23:94–100.CrossRefGoogle Scholar
- 17.Leth-Miller R, Jensen AD, Jensen J, Glarborg P, Jensen LM, Hansen PB, Jorgensen SB. Comparative study of reactivity to CO2 of cokes used in stone wool production. Fuel Process Technol. 2005;86:551–63.CrossRefGoogle Scholar
- 18.Gomez-Barea A, Ollero P, Fernandez-Baco C. Diffusional effects in CO2 gasification experiments with single biomass char particles. 1. Experimental investigation. Energy Fuels. 2006;20:2202–10.CrossRefGoogle Scholar
- 19.Bhat A, Ram Bheemarasetti JV, Rajeswara Rao T. Kinetics of rice husk char gasification. Energy Convers Manag. 2001;42:2061–9.CrossRefGoogle Scholar
- 20.Agarwal AK, Sears JT. The coal char reaction with CO2–CO gas mixtures. Ind Eng Chem Process Des Dev. 1980;19:364–77.CrossRefGoogle Scholar
- 21.Nowicki L, Antecka A, Bedyk T, Stolarek P, Ledakowicz S. The kinetics of gasification of char derived from sewage sludge. J Therm Anal Calorim. 2010. doi: 10.1007/s10973-010-1032-1.
- 22.Dahme A, Junker HJ. Die Reaktivität von Koks gegen CO2 im temperaturbereich 1000…1200 °C. Brennst Chem. 1955;36:193–9. (In German).Google Scholar
- 23.Mianowski A. Chemometric analysis of kinetics of the solid fuel reactivity. Acta Montana, IRSM AS CR Series B. 2001;120:23–38.Google Scholar
- 24.Słomska I. Criterion of the evaluation of coke reactivity in the presence of carbon dioxide. Scientific Bulletins of the Stanisław Staszic University of Mining and Metallurgy, No. 414, Cracow: AGH University of Science and Technology Press; 1973. (In Polish).Google Scholar
- 25.Koenig PC, Squires RG, Laurendeau NM. Evidence for two-site model of char gasification by carbon dioxide. Carbon. 1985;23:531–6.CrossRefGoogle Scholar
- 26.Koenig PC, Squires RG, Laurendeau NM. Char gasification by carbon dioxide: further evidence for a two-site model. Fuel. 1986;65:412–6.CrossRefGoogle Scholar
- 27.Calo JM, Perkins MT. A heterogeneous surface model for the “steady-state” kinetics of the Boudouard reaction. Carbon. 1987;25:395–407.CrossRefGoogle Scholar
- 28.Maskill H. The Arrhenius equation. J Chem Educ. 1990;27:111–4.Google Scholar
- 29.Isaacs NS. Liquid phase high pressure chemistry. New York: Wiley; 1981.Google Scholar
- 30.Mianowski A. Thermal dissociation in dynamic conditions by modeling thermogravimetric curves using the logarithm of conversion degree. J Therm Anal Calorim. 2000;59:747–62.CrossRefGoogle Scholar
- 31.House JE. Principles of chemical kinetics. 2nd ed. Amsterdam: Academic Press; 2007.Google Scholar
- 32.Bigda R, Mianowski A. Influence of heating rate on kinetic quantities of solid phase thermal decomposition. J Therm Anal Calorim. 2006;84:453–65.CrossRefGoogle Scholar
- 33.Szarawara J. Termodynamika chemiczna stosowana. Warsaw: WNT; 2007. p. 405. (In Polish).Google Scholar
- 34.Barin I. Thermochemical data of pure substances. Weiheim: VCH Velagsgesellschaft; 1989.Google Scholar
- 35.Marchon B, Tysoe WT, Carrazza J, Hainemann H, Somorjani GA. Reactive and kinetic properties of carbon monoxide and carbon dioxide on a graphite surface. J Phys Chem. 1988;92:5744–9.CrossRefGoogle Scholar
- 36.Pająk J, Socha Ł. Effects of pressure on the rate of hydrogen transfer from tetralin to different rank coals. Fuel Process Technol. 2002;77–78:131–6.CrossRefGoogle Scholar
- 37.Pająk J, Socha L. Effects of pressure on hydrogen transfer from tetralin to coal macerals. Energy Fuels. 2005;19:348–52.CrossRefGoogle Scholar
- 38.Mianowski A, Radko T. Estimation of the parameters describing the changes of conversion degree under polyisothermal conditions. J Therm Anal Calorim. 2000;60:91–6.CrossRefGoogle Scholar


